|
+7-978-708-85-73 Дроссель Amadeus Productions. Быстрый заказ по телефону. (Viber, WhatsApp, Telegram) |
14.4.2015, 0:42
Сообщение
#1
|
||
|
- ![]() ![]() ![]() ![]() ![]() Группа: Технический Маньяк Сообщений: 797 Регистрация: 9.11.2010 Из: Москва - не резиновая Вне форума Авто: Outlander 2.0 4G63 Атмоовощ Репутация: 63
|
Решил вынести в отдельную тему доработку контроллера складывания зеркал, изначально описанный в этом сообщении. Если тема не получит своего развития, ее можно будет объединить с исходной (или совсем удалить), но мне кажется, вопрос управления зеркалами лучше отделить от темы механической доработки самих зеркал и вопросов приобретения комплектов зеркал с японского рынка.
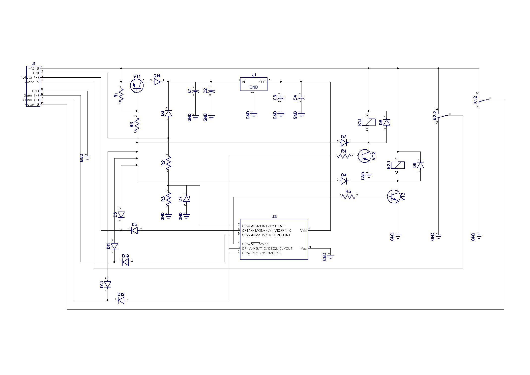
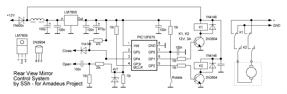
Приближается лето, а вместе с ним и реализация электроскладывания зеркал. Ранее уже были приобретены зеркала от аиртрека, его-же джойстик с кнопкой складывания. Но к реализованному Уважаемым SSh контроллеру управления складыванием есть несколько замечаний: 1) Зачем использовать такие дорогие и громоздкие реле? Ведь для реализации реверсивного движения достаточно пары реле с одним перекидным контактом. ![]() ![]() 2) Почему решили использовать постоянное питание микроконтроллера? Для уменьшения нагрузки на дохлый аккумулятор, хочу реализовать питание контроллера только при включении зажигания или на время складывания/раскладывания зеркал. 3) Принудительное раскладывание сделать не просто с задержкой 10/20/30 сек после включения зажигания, а через 3 сек (или меньше) после повышения напряжения в бортовой сети до 13,5 В, для чего напряжение с Ign1 через делитель 1/3 подается на вход микроконтроллера, который должен быть сконфигурирован как АЦП. Т.е. раскладывание начнется через 3 сек после запуска двигателя. 4) А на линии Close последовательно с диодом не нужно было поставить токоограничивающий резистор? Ведь используем биполярный транзистор? Свои пожелания я попытался отразить на исходной схеме (да простит меня Сергей!). Плату еще не разводил, т.к. наверняка схема будет дорабатываться. Готов выслушать критику, замечания и пожелания. Осталась не задействована одна нога контроллера... может принудительное раскладывание при снятии с охраны? |
|
|
||
![]() |
14.4.2015, 6:52
Сообщение
#2
|
|
|
Технический Маньяк-Гуру ![]() ![]() ![]() ![]() ![]() ![]() ![]() Группа: Администратор Сообщений: 7052 Регистрация: 3.6.2009 Из: Армения Вне форума Авто: ASX 2.0 Репутация: 265
|
1. Первое реле для реверса. Второе-же предназначено только для подачи питания на двигатель. Если исключить это реле, то надо продумать какие-нибуть другие цепи для обесточивания моторчика. Второе можно взять и попроще, но два одинаковых на плате выглядят эстетичнее )), это одна из моих слабостей, даже если плата не видна, я все равно стараюсь а) использовать похожие детали, б) использовать одинаковый крепеж, в) детали всегда устанавливать так, чтобы надписи на них были вверху и одинаково соорентированы (IMG:style_emoticons/default/smile.gif)
2. Потребление МК с обвязкой настолько незначительно, что саморазряд аккумулятора (по ТХ 1% в сутки) намного превышает потери, вызванные девайсом. С другой стороны, т.к. складывание, помимо всего прочего, связано с постановкой машины на охрану, то устройство должно всегда быть в готовности. Можно конечно привязать включение питания к срабатыванию сигналки, но никак ни к включенному зажиганию. Реле, кстати, можно запитывать постоянно, закрытые ключи практически полностью обрубают ток в цепи. Единственными потребителями остаются упомянутый ниже ключ I=U/R= 5/10000 = 0,0005A и относительно небольшой КПД примененного стабилизатора, который можно заменить на какой-нибуть импульсник. Я вот недавно выписал пару десятков импульсных плат-стабилизаторов, теперь вместо кренок везде ставлю вот это. 3. Ничего не имею против, кому как удобно, для этого и были выложены исходники, чтоб каждый мог приспособить под себя и алгоритм и задержки )) 4. Нет. Ключ в нормальном состоянии открыт вследствии подачи на базу положительного смещения через резистор 47 кОм, он-же по сути и является токоограничивающим (IMG:style_emoticons/default/wink.gif) . Сигнал складывания представляет собой отрицательный импульс, грубо говоря база соединяется с массой, о каком ограничении тока может идти речь? (IMG:style_emoticons/default/smile.gif) Цитата да простит меня Сергей! Подобные замечания, вне зависимости от того согласен я или кто-либо другой или нет могут только приветствоваться. Так, что я всегда за (IMG:style_emoticons/default/good.gif) |
|
|
12.8.2015, 1:58
Сообщение
#3
|
||||
|
- ![]() ![]() ![]() ![]() ![]() Группа: Технический Маньяк Сообщений: 797 Регистрация: 9.11.2010 Из: Москва - не резиновая Вне форума Авто: Outlander 2.0 4G63 Атмоовощ Репутация: 63
|
1. Первое реле для реверса. Второе-же предназначено только для подачи питания на двигатель. Если исключить это реле, то надо продумать какие-нибуть другие цепи для обесточивания моторчика. Второе можно взять и попроще, но два одинаковых на плате выглядят эстетичнее )) Я привык, что в подобных ситуациях используют именно пару реле с одним перекидным контактом. Достаточно посмотреть в электросхемах раздел центрального замка, или складывания зеркал на паджере. ![]() 2. Потребление МК с обвязкой настолько незначительно, что саморазряд аккумулятора (по ТХ 1% в сутки) намного превышает потери, вызванные девайсом. С другой стороны, т.к. складывание, помимо всего прочего, связано с постановкой машины на охрану, то устройство должно всегда быть в готовности. Можно конечно привязать включение питания к срабатыванию сигналки, но никак ни к включенному зажиганию. Реле, кстати, можно запитывать постоянно, закрытые ключи практически полностью обрубают ток в цепи. Единственными потребителями остаются упомянутый ниже ключ I=U/R= 5/10000 = 0,0005A и относительно небольшой КПД примененного стабилизатора, который можно заменить на какой-нибуть импульсник. Я вот недавно выписал пару десятков импульсных плат-стабилизаторов, теперь вместо кренок везде ставлю вот это. Дополнительный саморазряд 1% в сутки - это очень много. Три месяца назад как раз поменял родной аккумулятор, т.к. две недели простоя (если быть точным, то 10 дней) он уже не держал. Поэтому мне больше нравится решение, примененное dmitrij_b в его доводчике: управляющий сигнал START открывает транзистор VT1 перед кренкой а далее сам микроконтроллер своим выходом INT_START через транзистор VT2 держит транзистор VT1 открытым нужное время. Я предлагаю аналогичное решение: транзистор VT1 открывается любым из трех отрицательных импульсов (Rotate, Open или Close) и удерживается в открытом состоянии пока одно из реле включено (т.е. зеркала складываются или раскладываются) Питание на кренку поступает либо с открытого транзистора VT1, либо со входа IGN1 4. Нет. Ключ в нормальном состоянии открыт вследствии подачи на базу положительного смещения через резистор 47 кОм, он-же по сути и является токоограничивающим (IMG:style_emoticons/default/wink.gif) . Сигнал складывания представляет собой отрицательный импульс, грубо говоря база соединяется с массой, о каком ограничении тока может идти речь? (IMG:style_emoticons/default/smile.gif) Тогда какую роль выполняет этот транзистор? Не проще ли было вход GP4 притянуть вверх и через диод сажать на массу? И, насколько я понимаю, конденсатора на входе "Open" тоже нет? Фронт импульса ловим программно? Нарисовал схему в DipTrace, но красиво развести плату не получается. Существуют вообще системы, адекватно разводящие однослойные платы в автоматическом режиме?
Прикрепленные файлы
|
|||
|
||||
DmitryVS Контроллер управления складыванием зеркал 14.4.2015, 0:42
SSh 1. А куда дальше идет сигнал с этих контактов? Не ... 12.8.2015, 6:52
DmitryVS Цитата(SSh @ 12.8.2015, 6:52) 1. А куда д... 12.8.2015, 8:25
SSh 1. Так как-же в таком случае происходит переполюсо... 12.8.2015, 12:53
DmitryVS Возник ряд вопросов по внутрисхемному программиров... 14.8.2015, 19:32
SSh Цитата(DmitryVS @ 14.8.2015, 20:32) Возни... 15.8.2015, 6:39
Artur841984 Друзья. Помогите составить схему для складывания з... 17.5.2022, 7:41![]() ![]() ![]() |
|
+7-978-708-85-73 Дроссель Amadeus Productions. Быстрый заказ по телефону. (Viber, WhatsApp, Telegram) |
| Текстовая версия | © 2006-2026 Форум Технических Маньяков. |
|
|