|
+7-978-708-85-73 Дроссель Amadeus Productions. Быстрый заказ по телефону. (Viber, WhatsApp, Telegram) |
17.7.2009, 12:53
Сообщение
#1
|
|
|
Don Amadeus ![]() ![]() ![]() ![]() ![]() ![]() ![]() Группа: Главные администраторы Сообщений: 29961 Регистрация: 19.2.2009 Из: Russia, Sevastopol Вне форума Авто: Lancer IX-1.6 MT Turbo, Honda Accord IX-2.4 AT Executive. Репутация: 466
|
Большое спасибо за этот материал Peter6076, сочту очень нужным перепостить его тут (IMG:style_emoticons/default/smile.gif)
Полное описание по блокам, и что за что отвечает. Для маньяков - самое то! (IMG:style_emoticons/default/wink.gif) Блок предохранителей в салоне: ![]() Предохранители в нем: ![]() Реле в салонном блоке: ![]() Блок предохранителей в моторном отсеке: ![]() Предохранители и реле в нем: ![]() ![]() Дополнительный монтажный блок в моторном отсеке: ![]() Так же, номинал предохранителей можно отличить по цветам:
Прикрепленные изображения
|
|
|
![]() |
7.10.2016, 23:50
Сообщение
#2
|
|||
|
Технический Маньяк-Гуру ![]() ![]() ![]() ![]() ![]() ![]() ![]() Группа: Технический Маньяк Сообщений: 1802 Регистрация: 21.2.2009 Из: Екатеринбург Вне форума Авто: Lancer IX 1.6MT (105HP) Репутация: 108
|
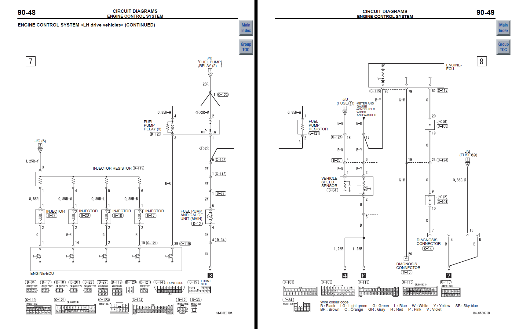
Хм. В восьмом эвике оказывается на питание бензонасоса три реле работает... (IMG:style_emoticons/default/blink.gif)
Схема в pdf-ке:
Evo8MRWiringDiagrams.rar ( 16,63 мегабайт )
Кол-во скачиваний: 397Скриншоты нужных страниц: Ну и до кучи схемы ЭВО9 (сам не смотрел еще что в архиве):
Evo9WiringDiagrams.zip ( 4,99 мегабайт )
Кол-во скачиваний: 394зы. Схемы взяты отсюда. |
||
|
|||
Titus Предохранители 17.7.2009, 12:53
Engender Во, спасибо! Отличная тема! 17.7.2009, 12:57
Titus Ну, сам обрадовался, давно такого не хватало 17.7.2009, 13:03
AlessandroF вчера избавился от желтой вставочки с сервисными п... 17.2.2011, 14:33
Dasot ща скопипастю на драйв эту тему 17.2.2011, 15:26
Titus AlessandroF, кстати, очень верное решение
Dasot 17.2.2011, 16:04
AlessandroF Цитата(Titus @ 17.2.2011, 15:04) Alessand... 18.2.2011, 10:30
Titus RE: Предохранители 18.2.2011, 20:44
SSh Ахтунг!
В книге от 3 Рима ошибка. Предохранит... 15.4.2011, 21:44
Titus Во как
Сереж, пользуй админские функции на полную 15.4.2011, 22:21
NeWT Собсна на крышечке же нарисовано что для чего Зач... 15.4.2011, 22:37
SSh Ну, не все на крышке смотрят Да и не ради книжки ... 16.4.2011, 6:08
SSh Подправил... Кстати, посмотрел у себя - т.к. изнач... 16.4.2011, 9:14
sanche29 Кстати да,у меня так же просто квадратик с номером... 16.4.2011, 9:16
Makar Еще один Ахтунг !!! Опять косяк 3 рима... 14.1.2012, 19:38
mazafakasun Кто нить скажет какой смысл в резервных предохрани... 2.7.2012, 23:51
IRustamI Цитата(mazafakasun @ 3.7.2012, 1:51) Кто ... 27.12.2016, 14:43
Aist315 вот как раз сегодня мой мицу приподнес сюрприз, пи... 14.10.2012, 19:00
SSh По здравому размышлению решил подредактировать и з... 18.12.2012, 11:40
SSh Подкапотный блок
Салонный блок
18.12.2012, 12:06
ELIK Может будет полезно,предохранитель 21 на первом фо... 7.1.2014, 16:12
Electric как питание Блока управления движком можно сбросит... 8.1.2014, 2:21
dmitrij_b Если я правильно помню - вынуть два предохранителя... 8.1.2014, 2:38
Electric Цитата(dmitrij_b @ 8.1.2014, 3:38) Если я... 8.1.2014, 5:28
dmitrij_b Хм. Глянул по схеме. Похоже те два предохранителя ... 8.1.2014, 10:29
Den_Braun Доброго дня всем! Излагаю суть проблемы. Авто ... 2.3.2014, 15:49
Electric Цитата(dmitrij_b @ 8.1.2014, 11:29) Хм. Г... 12.5.2014, 1:04
vadim740 Маркировка предохранителей по цвету
тут описываю... 11.1.2015, 15:06
potap15 Цитата(vadim740 @ 11.1.2015, 15:06) Марки... 13.1.2015, 23:27
lesnikov071961@mail.ru Подскажите, пожалуйста, почему пропала подсветка п... 14.2.2015, 20:19
ivshevsky Подскажите пожалуйста, не где на схемах не могу на... 7.10.2016, 0:14
Titus ivshevsky, приветствую, на какой конкретно автомоб... 7.10.2016, 0:44
ivshevsky Цитата(Titus @ 7.10.2016, 0:44) ivshevsky... 7.10.2016, 2:13
Titus По Evo альбомов схем под рукой нет, по Lancer-IX в... 7.10.2016, 2:29
dmitrij_b Витя, чего-то у тебя под рукой какая-то странная с... 7.10.2016, 8:41
ivshevsky Цитата(dmitrij_b @ 7.10.2016, 8:41) Витя,... 7.10.2016, 10:04

Titus Цитата(ivshevsky @ 7.10.2016, 10:04) Ну в... 7.10.2016, 12:48
Titus Цитата(dmitrij_b @ 7.10.2016, 8:41) Витя,... 7.10.2016, 12:47
dmitrij_b Хм. Надо убрать будет, раз там такие ляпусы.
В мое... 7.10.2016, 17:32
Titus А, да, рассмотрел транзисторы внимательнее, прикол... 7.10.2016, 19:43
ivshevsky Цитата(Titus @ 7.10.2016, 19:43) Эвиковск... 7.10.2016, 23:49
ivshevsky И все же на схеме силового предохранителя не видно... 8.10.2016, 1:10
ivshevsky RE: Предохранители 8.10.2016, 1:15
dmitrij_b Как не видно?
А на втором листе (стр. 90-43), №... 8.10.2016, 8:56
ivshevsky Цитата(dmitrij_b @ 8.10.2016, 8:56) Как н... 8.10.2016, 23:55
Ант89 Друзья, помогите пожалуйста. Вообщем ехал-ехал и з... 28.4.2018, 20:36
Titus Приветствую, давайте думать
Предохранитель номер... 29.4.2018, 13:51![]() ![]() |
|
+7-978-708-85-73 Дроссель Amadeus Productions. Быстрый заказ по телефону. (Viber, WhatsApp, Telegram) |
| Текстовая версия | © 2006-2026 Форум Технических Маньяков. |
|
|