|
+7-978-708-85-73 Дроссель Amadeus Productions. Быстрый заказ по телефону. (Viber, WhatsApp, Telegram) |
28.5.2011, 10:24
Сообщение
#1
|
|
|
Начинающий Технический Маньяк ![]() ![]() Группа: Технический Маньяк Сообщений: 91 Регистрация: 2.10.2010 Из: Russia, САМАРА град Вне форума Репутация: 1
|
Привет, Маньяки! Такой трабл. Решил как то сделать подсветку замка зажигания, в итоге в под рулевом переключателе коротнул проводом и теперь без включенного зажигания не горят габариты и не работает функция евросвета. не подскажите где искать причину? мож в самом блоке что сгорело?
|
|
|
![]() |
17.9.2018, 14:46
Сообщение
#2
|
|
|
Начинающий Технический Маньяк ![]() ![]() Группа: Технический Маньяк Сообщений: 19 Регистрация: 16.9.2018 Вне форума Авто: Mitsubishi Lancer X 1.5 Репутация: 0
|
|
|
|
samarasanych Блок ETACS 28.5.2011, 10:24
psixoxirurg Про ЕТАКС обратись лучше непосредственно в личку к... 28.5.2011, 23:20
dmitrij_b Я увидел, но ничего по теме подсказать не могу.
... 28.5.2011, 23:50
Onega Была тут тема. горит там одна деталь. Ищи. Если ра... 28.5.2011, 23:51
Onega Дмитрий, ты вроде копипастил с НЛК темку. 28.5.2011, 23:54
dmitrij_b Тут слегка другое дело, у топикстартера не с салон... 28.5.2011, 23:57
Onega не она? 28.5.2011, 23:57
dmitrij_b Угу. Она. 29.5.2011, 0:00
Onega RE: Блок ETACS 29.5.2011, 0:01
samarasanych Здравствуйте всем! предохранители в желтой рам... 29.5.2011, 8:48
samarasanych Ну что маньяки! Ни каких мыслей нет? 30.5.2011, 21:14
psixoxirurg Вынуть и прозвонить их тестером. 30.5.2011, 23:00
samarasanych кого прозвонить? предохранители? я их менял. да и ... 31.5.2011, 17:58
DmitryVS ETACS видит открытую водительскую дверь.
Либо пров... 3.6.2011, 16:45
samarasanych Абсолютно все остальное работает нормально. Единст... 3.6.2011, 17:54
Titus А иконка на приборке не показывает незакрытую двер... 3.6.2011, 18:02
dmitrij_b Свет в салоне загорается, при открывании двери, ес... 3.6.2011, 18:09
samarasanych ВСЕ! ВСЕ! Абсолютно все работает! кром... 4.6.2011, 10:35
Asdwarf А если сначала выключить зажигание, а потом включи... 5.6.2011, 3:28
samarasanych Ни фига. уже по всякому пробовал, не хочет. 5.6.2011, 8:56
Diis Народ, у меня та же фигня после того как в сервисе... 24.8.2011, 22:09
Titus Транзистор менять.. Или пусть сами чинят 24.8.2011, 22:10
DmitryVS Осмелюсь спросить:
А разъем для потолочного жгута ... 26.8.2011, 23:41
Diis Вообще не работает, я поэтому и думаю, что там что... 29.8.2011, 18:35
Diis Если свет в салоне не работает вообще, то возможно... 30.8.2011, 23:27
DmitryVS Цитата(Diis @ 31.8.2011, 0:27) Если свет ... 31.8.2011, 0:12
Diis Вообщем разобрался, всё работает, тупо не был подк... 1.9.2011, 18:04
Dmi А как снять ЕТАКС аккуратно? Сильно сложно? И можн... 4.9.2011, 23:03
Titus Без него не стоит никуда ехать. Снимается одним дв... 4.9.2011, 23:06
Dmi Titus пасиб! А к нему разъемы подключены какие... 4.9.2011, 23:09
Titus Два разъема с проводами сбоку у него и один разъем... 4.9.2011, 23:10
Dmi Titus спасибо еще раз, а то спалил нечаянно этот т... 4.9.2011, 23:14
Titus Пожалуйста Да ничего там страшного, меняется быст... 4.9.2011, 23:16
Dmi Хорошо 4.9.2011, 23:17
Titus RE: Блок ETACS 4.9.2011, 23:19
Dmi Поставил транзистор на 30 вольт, на 60 не нашел...... 5.9.2011, 14:30
Dmi Работает! 5.9.2011, 18:11
samarasanych Парни, не у кого нет схемы ЕТАКСа? проблему то я с... 16.11.2011, 22:51
-=ZYGARD=- Цитата(samarasanych @ 16.11.2011, 23:51) ... 23.12.2011, 14:48
Titus -=ZYGARD=-, о, привет и велкам Заполняй профиль ... 23.12.2011, 14:51
SSh Ключи в любом случае перезаливать надо... 23.12.2011, 14:59
Titus Сереж, погоди, ключи в блоке иммо, не в етаксе 23.12.2011, 17:26
SSh Черт, перепутал... После дальней заснеженной дорог... 23.12.2011, 17:34
Titus На 9м мы переставляли ETACSы - без каких-либо прош... 23.12.2011, 17:40
Electric мне бы авторские проблемы ))
лично мне вот оч не ... 12.3.2013, 21:00
Titus Ближний выключить ручкой, не? 12.3.2013, 21:49
Electric Не вариант))) 12.3.2013, 22:03
Titus Я так и не понял - что именно ты хочешь сделать.
П... 12.3.2013, 22:08
Electric Цитата(Titus @ 12.3.2013, 23:08) Я так и ... 13.3.2013, 19:34
Asdwarf Цитата(Electric @ 13.3.2013, 20:34) при в... 3.6.2013, 22:18
cumpol Господа соучастники, полный отказ поворотников из-... 13.3.2013, 22:20
Electric Цитата(cumpol @ 13.3.2013, 23:20) Господа... 14.3.2013, 2:43
DmitryVS Цитата(cumpol @ 13.3.2013, 23:20) Господа... 14.3.2013, 9:48
c001cm Цитата(DmitryVS @ 14.3.2013, 10:48) А щел... 14.3.2013, 10:33
denkopeisk привет всем!подскажите пожалуйста почему при в... 27.4.2013, 21:36
EnderE Замкнул по глупости один из проводов освещения сал... 22.6.2013, 16:55
vadim Кто-нибудь может рассказать что за блок Etacs MR58... 2.7.2013, 23:34
Titus Легкий поиск гуглом дает такую фотку, на ней все н... 2.7.2013, 23:59
vadim Значит на нем врядли будет складывание зеркал и по... 3.7.2013, 9:52
DmitryVS Цитата(vadim @ 3.7.2013, 10:52) Значит на... 4.7.2013, 7:37
Titus Не знаю
Обычно все их функции перечислены на этик... 3.7.2013, 11:41
vadim Спасибо за исчерпывающую информацию. 4.7.2013, 13:44
EnderE Заменил 10А предохранитель (сгорел-таки) освещения... 12.8.2013, 23:18
denson подскажите а блок ETACS отвечает за замыкание на п... 7.2.2014, 0:59
Vetal Здравствуйте, Прошу у вас помощи, у меня стандартн... 7.2.2016, 21:02
ТОЛИК1701 Всем доброго времени суток. Перекопал просторы инт... 16.6.2016, 23:40
SarMat501 Можно узнать не разбирая торпеду какой етакс устан... 16.9.2018, 2:31
Titus Приветствую, да, ETACS находится сзади салонного б... 16.9.2018, 13:27
SarMat501 Цитата(Titus @ 16.9.2018, 15:27) Приветст... 16.9.2018, 13:53
Titus А, не обратил внимания, что речь про Икс идет)
В ... 16.9.2018, 13:57
SarMat501 У меня не работает подсветка багажника, преды целы... 16.9.2018, 14:04
Titus Про диоды, если честно - не совсем понятно - если ... 16.9.2018, 14:09
SarMat501 Напряжение видимо проседает, не могу понять почему... 16.9.2018, 14:27
Titus Проседание напряжения легко определяется тестером)... 16.9.2018, 14:39
SarMat501 На плафон приходит 12,5 вольт, проверял без лампоч... 16.9.2018, 15:00
Titus На каком-то из окисленных разъемов значит просто п... 16.9.2018, 15:05
SarMat501 Неужели из-за окиси напряжение так сильно проседае... 16.9.2018, 15:56
Titus А больше вариантов особо и нет)
Либо просод надорв... 16.9.2018, 16:01
SarMat501 Долго вглядывался в схему и думал что-то тут не то... 16.9.2018, 20:34
Titus Опять 9й, угу)
Надо брать схему Икса тогда и смотр... 16.9.2018, 20:58
SarMat501 Цитата(Titus @ 16.9.2018, 22:58) Опять 9й... 16.9.2018, 21:38
Titus А как поняли, схемы изучали? 17.9.2018, 1:38
SarMat501 Ага, приходится вникать что и как 17.9.2018, 3:03
Titus Цитата(SarMat501 @ 17.9.2018, 3:03) Ага, ... 17.9.2018, 9:46
SarMat501 Цитата(Titus @ 17.9.2018, 11:46) И что та... 17.9.2018, 12:11
dmitrij_b А штатно эта лампа плавно разгорается/тухнет?
Если... 17.9.2018, 9:29
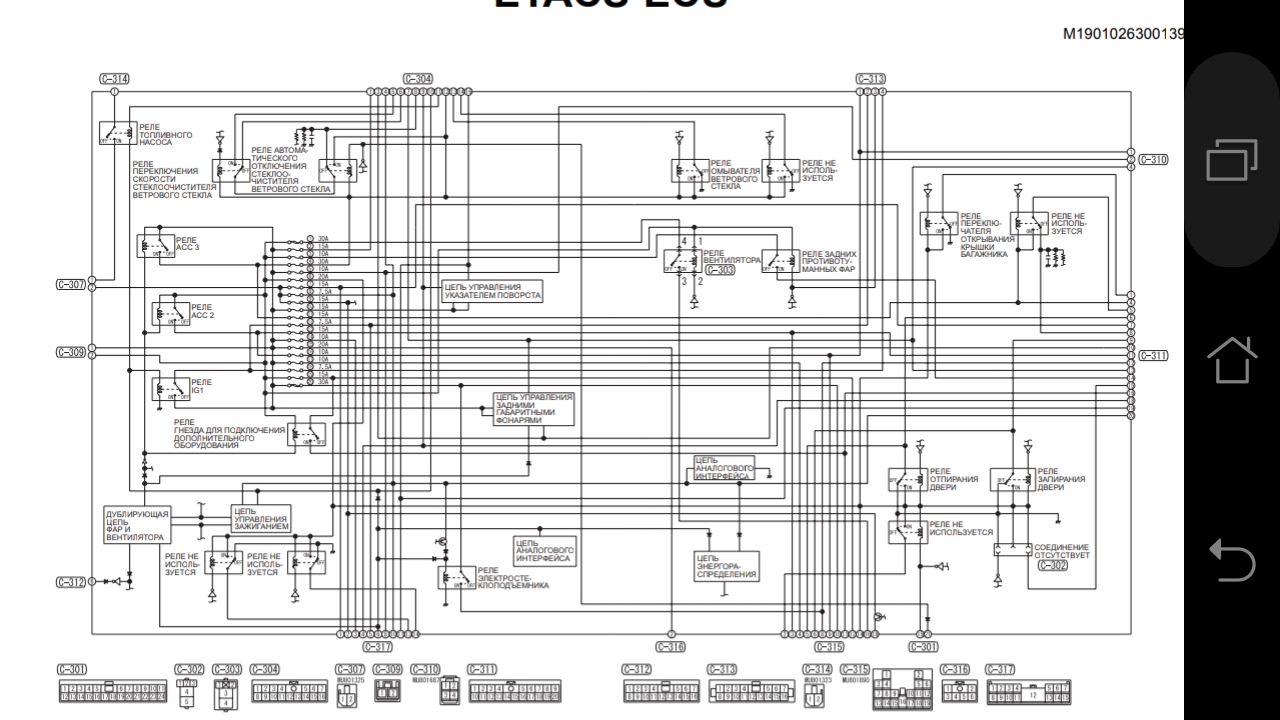
dmitrij_b Я тут схему глянул десятки. Походу там на подсветк... 17.9.2018, 9:51
SarMat501 Цитата(dmitrij_b @ 17.9.2018, 11:51) Я ту... 17.9.2018, 12:14
Titus Покажите фото этой части схемы от Икса, посмотрим,... 17.9.2018, 12:22
SarMat501 Даже вот к примеру схема которую выложил Дмитрий, ... 17.9.2018, 12:34
Titus Вообще, лучше с подобным к нормальному электрику о... 17.9.2018, 13:39
dmitrij_b Я схему икса выше и выложил скриншот.
Ломаная - па... 17.9.2018, 14:27
SarMat501 Про партизан я чета не совсем понял) 17.9.2018, 14:55
Titus Дмитрий, я как-то пропустил твой пост с куском схе... 17.9.2018, 17:04
SarMat501 Из оренбурга, но в данный момент нахожусь далеко о... 17.9.2018, 20:23
Titus Я полагаю, что без нормальных знаний электроники с... 17.9.2018, 22:10
SarMat501 Цитата(Titus @ 18.9.2018, 0:10) Я полагаю... 18.9.2018, 0:10
dmitrij_b Про партизан это я к тому, что волнистая линия - г... 17.9.2018, 22:15
SarMat501 Цитата(dmitrij_b @ 18.9.2018, 0:15) Про п... 18.9.2018, 0:12![]() ![]() ![]() |
|
+7-978-708-85-73 Дроссель Amadeus Productions. Быстрый заказ по телефону. (Viber, WhatsApp, Telegram) |
| Текстовая версия | © 2006-2026 Форум Технических Маньяков. |
|
|