Быстрый заказ, позвонить +7-978-708-85-73
Дроссель Amadeus Productions. Быстрый заказ по телефону.
(Viber, WhatsApp, Telegram)
Amadeus Productions Дроссельный узел на Lancer IX 1.6 (4G18), 2.0 (4G63) и другие моторы
Ремкомплект РХХ на Mitsubishi Lancer IX, 1.6 (4G18), MD619857, 1450A116
Облегченный маховик на 1.6 (4G18) и другие моторы
Облегченные шкивы на 1.6 (4G18) и другие моторы
One-touch или "Ленивые поворотники"

2 страниц V   1 2 >  
Reply to this topicStart new topic
> Проблема в "кривой" установке сигнализации?, Падают обороты при пуске двигателя.
pjatovskij
сообщение 11.6.2014, 20:17
Сообщение #1


Технический Маньяк
***

Группа:
Технический Маньяк
Сообщений: 489
Регистрация: 3.12.2012
Вне форума


Репутация:   8  


Всем привет! После установки отремонтированной Витей дроссельной заслонки я стал замечать, что мой Лансер чудит (не из-за заслонки конечно же). Подозрения пали на РХХ, так как иногда обороты опускались примерно до 600, а потом выравнивались. Машина при старте и переключениях дергалась. Во время езды при сбросе передачи на нейтраль обороты падали медленно. Заказал я тогда РХХ у китайцев (было это в июле 2013). С новым РХХ дерганья исчезли, обороты при сбросе передачи на нейтраль стали падать "правильно". Но появилось одно "но" - при запуске двигателя (на холодный или на горячий разницы не имеет) обороты сначала поднимаются выше 1000, потом без паузы падают до 550-600 и только через секунд 5-15 поднимаются. В это время машина вибрирует. На старом (заводском) РХХ обороты при пуске не падали вроде бы (или я не замечал из-за повышенных оборотов). Посоветовался с Витей. Вариантов причины проблемы было много. Какие-то варианты я проверил, но дело было не в них. Другие варианты проверить сам не мог, нужен был хороший диагност (а такого в наших краях найти трудно или невозможно). Да еще и работа, учеба, финансы и всякие другие причины заполонили мой мозг, и я отложил поиски неисправности «на потом».
Ну вот вроде бы это «потом» настало. Я перечитал свою переписку с Витей на счет всего этого (освежил память). Один из предложенных Витей вариантов:
Цитата
С устновкой или переподключением сигналки начало всей этой "колбасни", не совпадает? Может быть, разорвали на ней постоянный плюс и мозги постоянно обнуляются? Редкий случай, но на опыте был такой. Посмотреть бы, не снимает ли она основное питание с мозга. Там два питания - одно всегда, второе при включении зажигания появляется. Был случай - долго искали у товарища в Киеве - пока не нашли, что сигналка рвет постоянное питание - то есть, мозг постоянно обнулялся.

Мне такой вариант показался очень даже возможным, так как после покупки авто под охраной из 4 дверей находилась только водительская (Установщик сигналки был явно некомпетентен. Пришлось исправлять). Кстати, сигналка с автозапуском, который тоже не работает (IMG:style_emoticons/default/biggrin.gif)

Наткнулся на ту самую историю, про которую писал Витя:
Sen-Paul. «Странный глюк ЭБУ или нет… может кому-то пригодится» (Взято отсюда: DRIVE2.RU):
Цитата
Всем известно о проблеме 9-х лансеров с холостыми оборотами. Я когда забрал машину, сделал ТО, промыл топливную систему и дроссель, соответственно немного начали плавать обороты. Дроссельный узел был заменен на восстановленный. Но все равно остались провалы и очень низкие обороты при холодном запуске двигателя.
Во время прогревания либо нагрузки от гидроусилителя, кондера и т.д. обороты вместо того, чтоб подниматься, -сначала резко падают, а потом плавно-плавно начинают ползти вверх. Бывает такое, что несколько дней все хорошо работает, а потом опять за свое. Короче мистика.
Подумал, что проблема с регулятором холостого хода, может подклинивает (такое бывает), достал другой, через несколько дней все то же самое, потом достал еще один, опять не оно. Но не может же 3 РХХ работать неправильно.
Лучший способ проверить РХХ, — выкрутить его с корпуса дроссельного узла, и держа в руках включать\выключать зажигание, после чего он должен высовуваться\засовуваться. У меня же, он чуть дергается один раз и потом стоит мертво. И так все 3 РХХ.
Проверили на машине в одноклубника Maxim Body Parts все мои РХХ, у него работают, с его машины рабочий — у меня не работает. (((
По рекомендации диагноста из клуба ранее делал диагностику ЭБУ у его знакомого, который занимается их ремонтом. Тот проблем с блоком не заметил. ((( При таком аномальном поведении ЭБУ, в тот момент, когда его проверяли он мог работать исправно.
Остается только такой вариант, попробовать поставить на машину другой блок управления, и продиагностировать РХХ по такому же принципу. Если все будет работать, проблема найдена. Если же нет, тогда остается процентов 10 вероятности, что это что-то другое.
По рекомендации Titus был найден электрик на автодроме Чайка, зовут Николай Николаевич. Занимается ЧИП-тюнингом автомобиоей. Продиагностировал машинку и говорит: "А тебе никаких электронных примочек на машину не цепляли?". Говорю да. Охранная система, иммобилайзер и т.д.
Он говорит, что скорее всего знает в чем моя проблема и никакой ЭБУ менять не нужно.
Проблема была в подключенной охранной системе, которая вырубала сразу же блок управления двигателем после выключения зажигания, тогда как по правильному ЭБУ после выключения зажигания работает еще 6-10 сек. и потом выключается сам. За это время он сохраняет параметры автомобиля, в т.ч. и регулятора холостого хода. И после выключения зажигания еще подает питание на РХХ и отводит его на установленное количество шагов для следующего запуска двигателя.
По этой же причине РХХ не работали у меня в руках при стандартной проверке: (включения/выключения зажигания), так как он становился в одно положение и назад не уходил, поскольку не было питания от ЭБУ после выкл. зажигания. И по этому настройка шагов РХХ постоянно слетала. И обороты вроде и поднимались, но не так как надо.
Проблема оказалась там, где искал бы в последнюю очередь. А уже собрался ЭБУ покупать. Спасибо людям, которые отговорили.
Хотя и так потратился немного. РХХ лишний, (но пусть будет про запас), бензина спалил не кисло катаясь от одного к другому-третьему, ЭБУ свой продиагностировал (но по крайней мере знаю что с ним действительно все ОК.) Вот так вот…
Проблема заключалась в неправильно подключенной сигналке… И была решена у электрика, который ее ставил за 5 мин.
После переподключения проводков проблема ушла. Оброты стали на место. Все работает как с салона. Катаюсь доволен своей машинкой.

Буду проверять (IMG:style_emoticons/default/smile.gif)
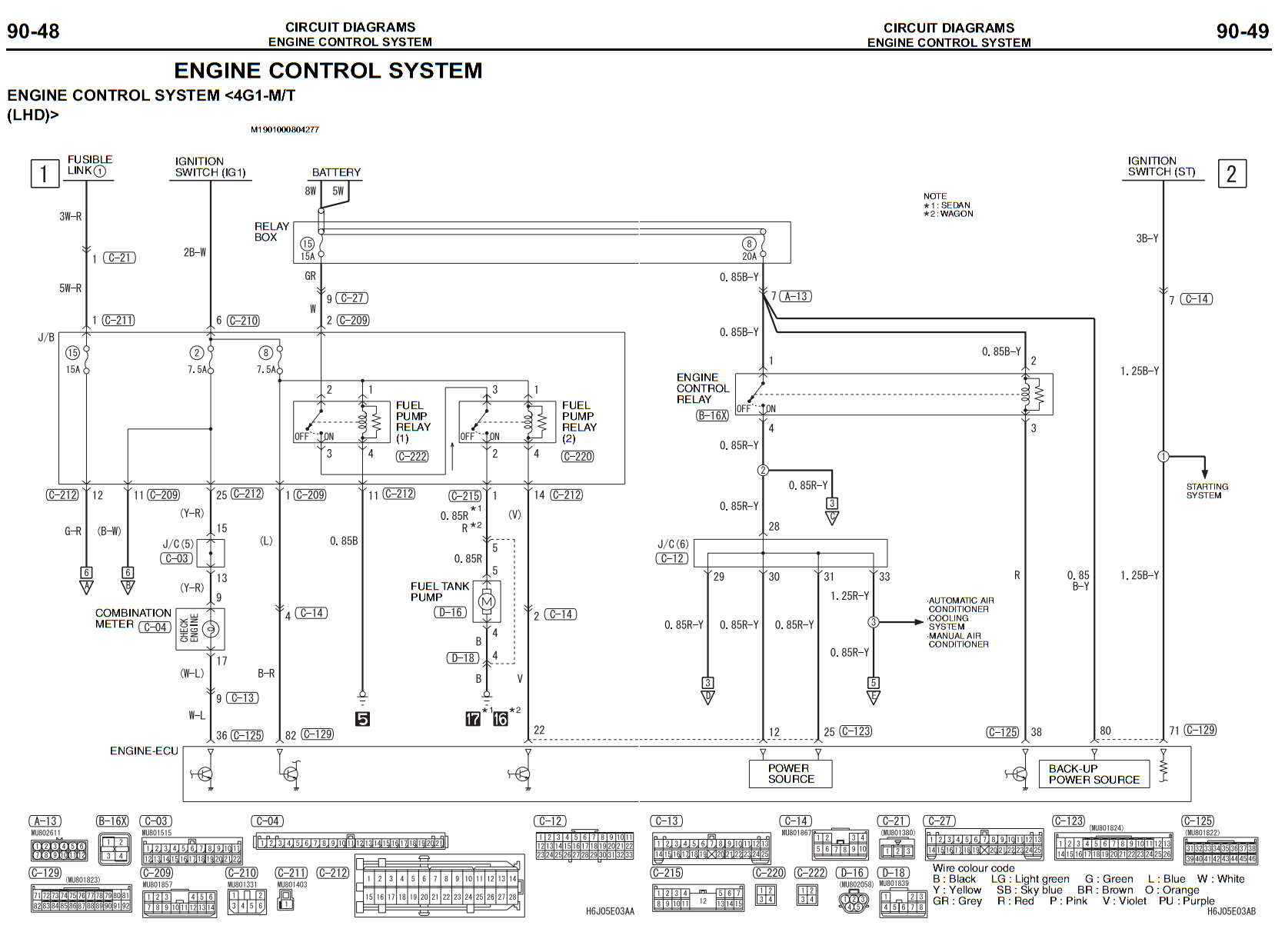
Вот схемы:
1. Оригинальная - из мануала на английском.
Прикрепленное изображение

2. Упрощенная - из какого-то мануала на русском.
Прикрепленное изображение
Go to the top of the page
¬
Вставить ник в форму быстрого ответа
+Quote Post
pjatovskij
сообщение 17.6.2014, 1:21
Сообщение #2


Технический Маньяк
***

Группа:
Технический Маньяк
Сообщений: 489
Регистрация: 3.12.2012
Вне форума


Репутация:   8  


Замеры показали, что постоянное питание на ЭБУ присутствует (IMG:style_emoticons/default/dry.gif) Ищу дальше...
Go to the top of the page
¬
Вставить ник в форму быстрого ответа
+Quote Post
angelfear
сообщение 6.7.2014, 22:53
Сообщение #3


Супер Технический Маньяк
*****

Группа:
Почетные ветераны
Сообщений: 568
Регистрация: 12.11.2012
Из: город-геморрой москва сао
Вне форума
Авто: lancer 1.6 akпп

Репутация:   82  


какие ноги звонил?
Go to the top of the page
¬
Вставить ник в форму быстрого ответа
+Quote Post
angelfear
сообщение 6.7.2014, 22:58
Сообщение #4


Супер Технический Маньяк
*****

Группа:
Почетные ветераны
Сообщений: 568
Регистрация: 12.11.2012
Из: город-геморрой москва сао
Вне форума
Авто: lancer 1.6 akпп

Репутация:   82  


а массу звонил? а чем звонил? кому звонил)) мультиметр или прозвонка (с светодиодиком зеленым и красным) в таких ситуациях не канает, нужен пробник с лампочкой накаливания, с шилом одной стороны и "крокодил" на проводе с другой стороны. еще нужна булавка и еще один "крокодил" желателен. на данных картинках нет плюса постоянного, есть только который мозг сам себе включает, разве что "80" нога на С129, резервное питание, интересно что это? два плюса мозг себе сам включает на 12 и 25 на С123, но что бы ему их включить должно куда то зажигание подходить.
Go to the top of the page
¬
Вставить ник в форму быстрого ответа
+Quote Post
pjatovskij
сообщение 6.7.2014, 23:13
Сообщение #5


Технический Маньяк
***

Группа:
Технический Маньяк
Сообщений: 489
Регистрация: 3.12.2012
Вне форума


Репутация:   8  


Мультиметром проверял. На разъеме С-129 на клемме №71 при прокручивании стартером (при пуске двигателя) появляется 12В. На клемме №80 постоянно присутствует 12В. На клеммах №12 и №25 разъема С-123 появляется 12В при включении зажигания.
Массу кстати не проверял.
Go to the top of the page
¬
Вставить ник в форму быстрого ответа
+Quote Post
angelfear
сообщение 6.7.2014, 23:20
Сообщение #6


Супер Технический Маньяк
*****

Группа:
Почетные ветераны
Сообщений: 568
Регистрация: 12.11.2012
Из: город-геморрой москва сао
Вне форума
Авто: lancer 1.6 akпп

Репутация:   82  


массу надобно тоже прозвонить, пробник на плюс и "отверткой" тыкать, на блоке управления. только не мультиметром. щас сижу где то схемы на лансер качал не могу найти
Go to the top of the page
¬
Вставить ник в форму быстрого ответа
+Quote Post
pjatovskij
сообщение 6.7.2014, 23:23
Сообщение #7


Технический Маньяк
***

Группа:
Технический Маньяк
Сообщений: 489
Регистрация: 3.12.2012
Вне форума


Репутация:   8  


Спасибо. У меня есть схемы (IMG:style_emoticons/default/smile.gif)
А почему мультиметром не катит?
Go to the top of the page
¬
Вставить ник в форму быстрого ответа
+Quote Post
angelfear
сообщение 6.7.2014, 23:49
Сообщение #8


Супер Технический Маньяк
*****

Группа:
Почетные ветераны
Сообщений: 568
Регистрация: 12.11.2012
Из: город-геморрой москва сао
Вне форума
Авто: lancer 1.6 akпп

Репутация:   82  


хорошо что ты спросил про мультиметр)) мультиметру достаточно слаботочного сигнала, а пробник дает какую никакую нагрузку, то есть, если например "масса" плохая то мультиметр покажет что все ОК, хотя на самом деле провод "массы" под ковром отгнил и лежит в зеленой каше из окислов которая при высыхании пропадет контакт. ну это так из практики. я не подбиваю, но ходят слухи (для меня слухи). что в дорогих импортных авто только мультиметром надо все звонить, пробником ни в коем случае. мультиметром только напряжение меряю и CAN шину, но у нас её нет, неоднократно САН шину пробником тыкал, полет нормальный.
Go to the top of the page
¬
Вставить ник в форму быстрого ответа
+Quote Post
angelfear
сообщение 7.7.2014, 0:02
Сообщение #9


Супер Технический Маньяк
*****

Группа:
Почетные ветераны
Сообщений: 568
Регистрация: 12.11.2012
Из: город-геморрой москва сао
Вне форума
Авто: lancer 1.6 akпп

Репутация:   82  


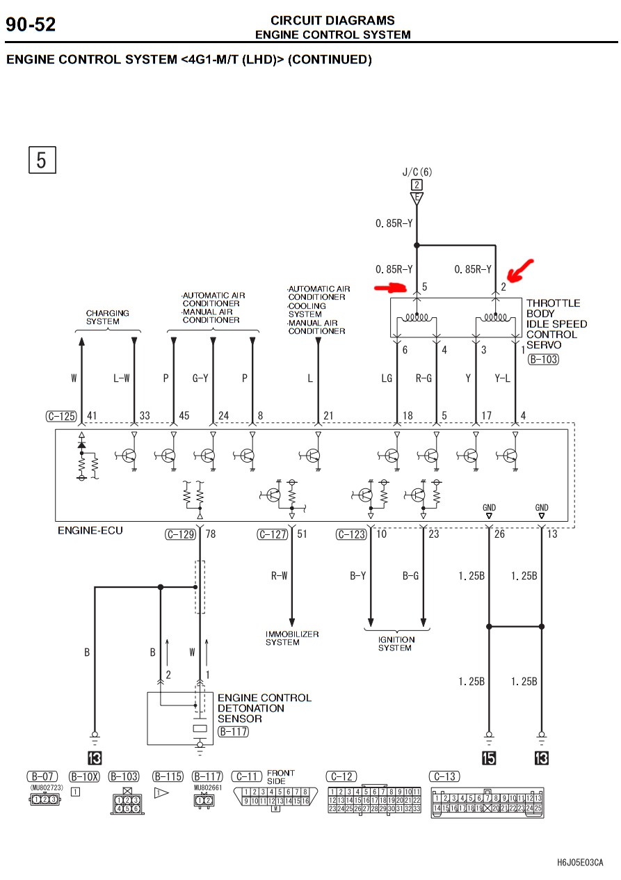
книжка докачалась, судя по схеме на РХХ приходит "плюс" с реле управления двигателем. можно его как то прозвонить для начала, есть ли там плюс.
Go to the top of the page
¬
Вставить ник в форму быстрого ответа
+Quote Post
pjatovskij
сообщение 7.7.2014, 15:42
Сообщение #10


Технический Маньяк
***

Группа:
Технический Маньяк
Сообщений: 489
Регистрация: 3.12.2012
Вне форума


Репутация:   8  


Цитата(angelfear @ 7.7.2014, 1:02) *
книжка докачалась, судя по схеме на РХХ приходит "плюс" с реле управления двигателем. можно его как то прозвонить для начала, есть ли там плюс.

Ты про контакты "2" и "5" на схеме?
Прикрепленное изображение
Go to the top of the page
¬
Вставить ник в форму быстрого ответа
+Quote Post
angelfear
сообщение 7.7.2014, 20:14
Сообщение #11


Супер Технический Маньяк
*****

Группа:
Почетные ветераны
Сообщений: 568
Регистрация: 12.11.2012
Из: город-геморрой москва сао
Вне форума
Авто: lancer 1.6 akпп

Репутация:   82  


блинн вчера полчаса качал книгу куда скачал не найду, да, вроде вчера смотрел на эти, J/C(6) как я понял с реле выходит которое мозг сам себе включает.
Go to the top of the page
¬
Вставить ник в форму быстрого ответа
+Quote Post
pjatovskij
сообщение 11.7.2014, 19:14
Сообщение #12


Технический Маньяк
***

Группа:
Технический Маньяк
Сообщений: 489
Регистрация: 3.12.2012
Вне форума


Репутация:   8  


Сегодня появилось время прозвонить проводку.
Масса на ЭБУ есть (это контакты «13» и «26» на разъеме С-123).
Далее. На контактах «2» и «5» (красно-желтые) РХХ при включении зажигания появляется «плюс» (тут все ОК).
Прикрепленное изображениеПрикрепленное изображение
А дальше я слегка не понял.
Сначала прозванивал на холодном ДВС. Температура на улице была примерно градусов 20.
На контактах «1» (сине-желтый) и «4» (красно-зеленый) РХХ при включении зажигания начинает звониться масса и перестает через небольшое время после выключения зажигания (после срабатывания реле).
На контакте «3» (желтый) РХХ при включении зажигания масса не прозванивается, а начинает она прозваниваться после выключения зажигания и перестает через небольшое время (после срабатывания реле).
На контакте «6» (зелено-голубой) РХХ при включении и выключении зажигания масса не прозванивалась.
Казалось бы, что на контакте «6» все должно быть аналогично контакту «3», но оказалось, что это не так. Или напротив - на контакте «3» все должно быть аналогично контакту «6» (т.е. там не должно было быть массы при вкл. зажигания)??
Прозвонил провод от контакта «6» РХХ до контакта «18» разъема С-123 ЭБУ. Провод целый.
Я подумал, что либо транзистору пришел каюк, либо надо попробовать прозвонить контакт «6» в других режимах. Завел двигатель, но признаков массы контакт «6» РХХ не подавал (IMG:style_emoticons/default/smile.gif)
Двигатель поработал примерно 2 минуты.
Я попробовал прозвонить заново все контакты на наличие массы при вкл./выкл. зажигания, но ни один не прозвонился.
Потом я снял разъем с ДТОЖ.
На контактах «3» и «6» РХХ при вкл. зажигания появилась масса. Пропадала она после выкл. зажигания.
А вот на контактах «1» и «4» РХХ масса отсутствовала вообще.
Потом я воткнул разъем ДТОЖ на свое законное место.
Все поменялось. На контактах «1» и «4» РХХ при вкл. зажигания появилась масса. Пропадала она после выкл. зажигания.
А вот на контактах «3» и «6» РХХ масса отсутствовала вообще.

У кого какие мысли?
ДТОЖ моросит или ЭБУ, или все ОК?
Куда копать дальше?
Go to the top of the page
¬
Вставить ник в форму быстрого ответа
+Quote Post
angelfear
сообщение 11.7.2014, 23:39
Сообщение #13


Супер Технический Маньяк
*****

Группа:
Почетные ветераны
Сообщений: 568
Регистрация: 12.11.2012
Из: город-геморрой москва сао
Вне форума
Авто: lancer 1.6 akпп

Репутация:   82  


(IMG:style_emoticons/default/russian_roulette.gif)


возможно завтра прозвоню что там должно быть. ДТОЖ Датчик Температуры Охлаждающей Жидкости?
Go to the top of the page
¬
Вставить ник в форму быстрого ответа
+Quote Post
pjatovskij
сообщение 11.7.2014, 23:43
Сообщение #14


Технический Маньяк
***

Группа:
Технический Маньяк
Сообщений: 489
Регистрация: 3.12.2012
Вне форума


Репутация:   8  


Цитата(angelfear @ 12.7.2014, 0:39) *
(IMG:style_emoticons/default/russian_roulette.gif)
возможно завтра прозвоню что там должно быть. ДТОЖ Датчик Температуры Охлаждающей Жидкости?

(IMG:style_emoticons/default/biggrin.gif)
Спасибо, Дим! Да-да, он самый.
Go to the top of the page
¬
Вставить ник в форму быстрого ответа
+Quote Post
angelfear
сообщение 11.7.2014, 23:53
Сообщение #15


Супер Технический Маньяк
*****

Группа:
Почетные ветераны
Сообщений: 568
Регистрация: 12.11.2012
Из: город-геморрой москва сао
Вне форума
Авто: lancer 1.6 akпп

Репутация:   82  


на работе в ноуте есть схема завтра постараюсь вызвонить РХХ, я себе на днях ЕГР почистил, уже третий день машину не узнаю. она никогда так не ехала. еще на радостях после прочистки на следующий день поменял воздушный фильтр, свечи и залил 95G на газпромнефти. ураган, шапку срывает. дроссель сток, каталитики на месте.

на 82 ноге С-129 должен быть плюс зажигания.
Go to the top of the page
¬
Вставить ник в форму быстрого ответа
+Quote Post
pjatovskij
сообщение 12.7.2014, 0:07
Сообщение #16


Технический Маньяк
***

Группа:
Технический Маньяк
Сообщений: 489
Регистрация: 3.12.2012
Вне форума


Репутация:   8  


"82" ножку посмотрю завтра. Но думаю, что там все в порядке с ней. А ЕГР я чистил (IMG:style_emoticons/default/smile.gif)
Go to the top of the page
¬
Вставить ник в форму быстрого ответа
+Quote Post
angelfear
сообщение 12.7.2014, 12:14
Сообщение #17


Супер Технический Маньяк
*****

Группа:
Почетные ветераны
Сообщений: 568
Регистрация: 12.11.2012
Из: город-геморрой москва сао
Вне форума
Авто: lancer 1.6 akпп

Репутация:   82  


я наверно ничем не помогу, если только предложить найти такойже лансер в городе и попросить погонять РХХ. сейчас померял у себя по всякому пришел к выводу что "красно зеленый" и "желтый" по этим проводам сигнал как будто потенциометр, то есть по этим проводам мозг видит положение РХХ. "салатовый" и "сине желтый" это вроде как сигнал с мозга для привода в движения РХХ. если как написано в начале подозрения на сигналку, то думаю надо найти что эта сигналка отключает и плясать от этого. на что стоит блокировка лучше в личное напиши.

по питанию значит,
страница 90-38: масса на С-123 26 и 13 ноги
страница 90-48: ignition1 на С-129 82 нога
страница 90-49: плюс постоянный на С-129 80 нога, два плюса с реле engine control relay на С-123 12 и 25
страница 90-52: масса на С-123 26 и 13 ноги.

вроде все нашел что проверить на мозге, и лучше проверять на поставленную на сигнализацию.
Go to the top of the page
¬
Вставить ник в форму быстрого ответа
+Quote Post
pjatovskij
сообщение 12.7.2014, 15:34
Сообщение #18


Технический Маньяк
***

Группа:
Технический Маньяк
Сообщений: 489
Регистрация: 3.12.2012
Вне форума


Репутация:   8  


Цитата(angelfear @ 12.7.2014, 13:14) *
по питанию значит,
страница 90-38: масса на С-123 26 и 13 ноги
страница 90-48: ignition1 на С-129 82 нога
страница 90-49: плюс постоянный на С-129 80 нога, два плюса с реле engine control relay на С-123 12 и 25
страница 90-52: масса на С-123 26 и 13 ноги.

вроде все нашел что проверить на мозге, и лучше проверять на поставленную на сигнализацию.

Спасибо за помощь Дима! (IMG:style_emoticons/default/drinks.gif)
Дим, я все эти контакты проверял. Нареканий там нет. И на включенной сигналке проверял.
Сегодня еще проверочку устроил. Попозже напишу все. А сейчас покушать надо (IMG:style_emoticons/default/smile.gif)
Go to the top of the page
¬
Вставить ник в форму быстрого ответа
+Quote Post
pjatovskij
сообщение 12.7.2014, 17:03
Сообщение #19


Технический Маньяк
***

Группа:
Технический Маньяк
Сообщений: 489
Регистрация: 3.12.2012
Вне форума


Репутация:   8  


Так как подозрения мои пали на ДТОЖ, то сегодня я поехал и купил потенциометр на 10 кОм, чтоб показывать температуру ОЖ мозгам вручную.
Вот и он:
Прикрепленное изображение

Вот так его подключил к разъему:
Прикрепленное изображение

А вот значения, которые должен показывать ДТОЖ в зависимости от изменения температуры ОЖ:
Прикрепленное изображение

Итак, я начал выставлять разную величину сопротивления с помощью потенциометра в пределах от 0,1 до 5 кОм:
0,1 кОм - долгий провал оборотов при пуске до 500 об/мин + включился вентилятор.
0,25 кОм - провал оборотов при пуске до 500 об/мин
0,35 кОм - провал оборотов при пуске
0,4 кОм - нет провала оборотов при пуске, но чувствуется, что еще бы чуть-чуть и он был
0,5 кОм - нет провала оборотов
0,6 кОм - нет провала оборотов
0,8 кОм - нет провала оборотов
1 кОм - нет провала оборотов
1,5 кОм - затуп оборотов с плавным подъемом
2 кОм - затуп оборотов (уже чуть сильней) с плавным подъемом
5 кОм - не завелась вообще

Вот более наглядно:
0,12 кОм:
Прикрепленное изображение


0,33 кОм:
Прикрепленное изображение


0,49 кОм:
Прикрепленное изображение


0,99 кОм:
Прикрепленное изображение


1,5 кОм:
Прикрепленное изображение



Получается, что в провалах оборотов при пуске двигателя у меня виноват ДТОЖ??
Go to the top of the page
¬
Вставить ник в форму быстрого ответа
+Quote Post
angelfear
сообщение 12.7.2014, 17:21
Сообщение #20


Супер Технический Маньяк
*****

Группа:
Почетные ветераны
Сообщений: 568
Регистрация: 12.11.2012
Из: город-геморрой москва сао
Вне форума
Авто: lancer 1.6 akпп

Репутация:   82  


возможно и ДТОЖ, надо бы к его ногам мультиметр подключить и посмотреть что датчик температуры показывает на разной темпратуре ДВС так сказать не врет ли датчик, для мониторинга температуры двс лучше отдельный термометр использовать который можно в горловину радиаторазасунуть. был в практике такой случай что при достижении температуры 60+ датчик показывал обрыв цепи меньше 60 показывал как ни в чем не бывало. когда датчик уходил в обрыв включались вентиляторы, но это было на КИА спектра. так вариант с донором есть?
Go to the top of the page
¬
Вставить ник в форму быстрого ответа
+Quote Post

2 страниц V   1 2 >
Fast ReplyReply to this topicStart new topic
2 чел. читают эту тему (гостей: 2, скрытых пользователей: 0)
Пользователей: 0

 



Быстрый заказ, позвонить +7-978-708-85-73
Дроссель Amadeus Productions. Быстрый заказ по телефону.
(Viber, WhatsApp, Telegram)
Amadeus Productions Дроссельный узел на Lancer IX 1.6 (4G18), 2.0 (4G63) и другие моторы
Ремкомплект РХХ на Mitsubishi Lancer IX, 1.6 (4G18), MD619857, 1450A116
Облегченный маховик на 1.6 (4G18) и другие моторы
Облегченные шкивы на 1.6 (4G18) и другие моторы
One-touch или "Ленивые поворотники"