Быстрый заказ, позвонить +7-978-708-85-73
Дроссель Amadeus Productions. Быстрый заказ по телефону.
(Viber, WhatsApp, Telegram)
Amadeus Productions Дроссельный узел на Lancer IX 1.6 (4G18), 2.0 (4G63) и другие моторы
Ремкомплект РХХ на Mitsubishi Lancer IX, 1.6 (4G18), MD619857, 1450A116
Облегченный маховик на 1.6 (4G18) и другие моторы
Облегченные шкивы на 1.6 (4G18) и другие моторы
One-touch или "Ленивые поворотники"

> Чертежи оправок для замены сайлентблоков
AKStyle
сообщение 18.8.2015, 12:26
Сообщение #1


Технический Маньяк-Гуру
*******

Группа:
Технический Маньяк
Сообщений: 5242
Регистрация: 26.7.2010
Из: МО, Белоозерский - Томск
Вне форума
Авто: Lancer IX 1.8T MT

Репутация:   134  


Сам сейчас занимаюсь тотальным ребилдом подвески. Информации в сети море, чертежей не очень. Может кому пригодится. Все опробовано лично, кроме оправок для задних продольных рычагов.

1. Большой сайлентблок на передних рычагах
Прикрепленное изображение

2. Для малых сайлентблоков подойдет большая оправка на чертеже для нижних рычагов

3. Сайлентблоки на задних поперечных рычагах
Прикрепленное изображение


4. Сайлентблоки на задних продольных рычагах
Прикрепленное изображение
Прикрепленные файлы
Прикрепленный файл  Чертеж_проставок_для_съемника_сайлентблоков_Лист1.pdf ( 13,62 килобайт ) Кол-во скачиваний: 3586
Прикрепленный файл  Чертеж_проставок_для_съемника_сайлентблоков_Лист2.pdf ( 14,08 килобайт ) Кол-во скачиваний: 2725
Прикрепленный файл  Чертеж_проставок_для_съемника_сайлентблоков_Лист3.pdf ( 13,69 килобайт ) Кол-во скачиваний: 2739
 
Go to the top of the page
¬
Вставить ник в форму быстрого ответа
+Quote Post
 
Start new topic
Ответов (1 - 19)
Titus
сообщение 18.8.2015, 12:29
Сообщение #2


Don Amadeus
*******

Группа:
Главные администраторы
Сообщений: 29962
Регистрация: 19.2.2009
Из: Russia, Sevastopol
Вне форума
Авто: Lancer IX-1.6 MT Turbo, Honda Accord IX-2.4 AT Executive.

Репутация:   466  


(IMG:style_emoticons/default/good.gif) (IMG:style_emoticons/default/smile.gif)
Go to the top of the page
¬
Вставить ник в форму быстрого ответа
+Quote Post
RN6LEA
сообщение 18.8.2015, 21:06
Сообщение #3


Супер Технический Маньяк
*****

Группа:
Технический Маньяк
Сообщений: 807
Регистрация: 22.1.2014
Из: Ростов-на-Дону
Вне форума
Авто: LANCER IX 1.6 МКПП 2004г.

Репутация:   49  


Халява детектед))) Леха +100500. (IMG:style_emoticons/default/good.gif)
Go to the top of the page
¬
Вставить ник в форму быстрого ответа
+Quote Post
AKStyle
сообщение 19.8.2015, 13:14
Сообщение #4


Технический Маньяк-Гуру
*******

Группа:
Технический Маньяк
Сообщений: 5242
Регистрация: 26.7.2010
Из: МО, Белоозерский - Томск
Вне форума
Авто: Lancer IX 1.8T MT

Репутация:   134  


(IMG:style_emoticons/default/biggrin.gif)
Go to the top of the page
¬
Вставить ник в форму быстрого ответа
+Quote Post
AKStyle
сообщение 10.8.2016, 11:12
Сообщение #5


Технический Маньяк-Гуру
*******

Группа:
Технический Маньяк
Сообщений: 5242
Регистрация: 26.7.2010
Из: МО, Белоозерский - Томск
Вне форума
Авто: Lancer IX 1.8T MT

Репутация:   134  


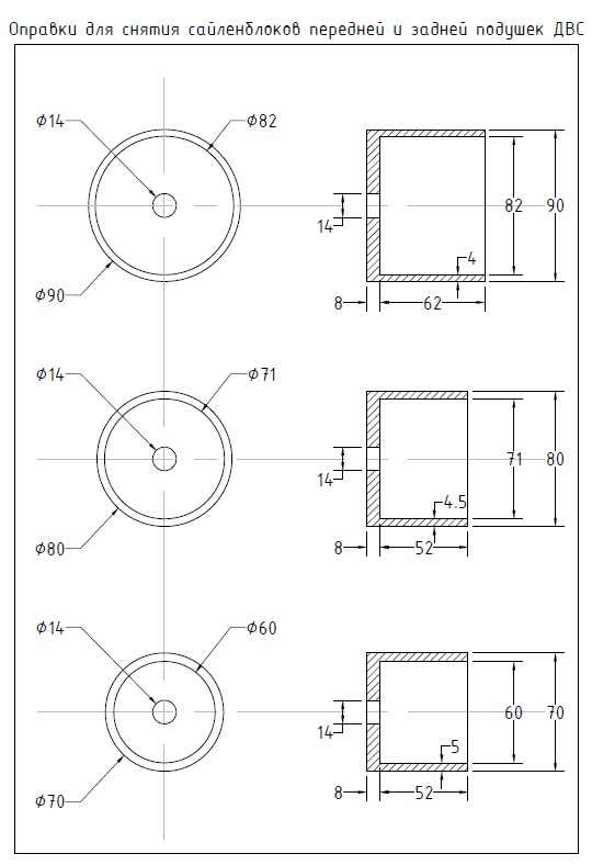
Чертеж оправок для замены сайлентблоков передней и задней подушек ДВС:
Прикрепленное изображение


Прикрепленные файлы
Прикрепленный файл  Чертеж_проставок_для_съемника_сайлентблоков_подушек.pdf ( 16,67 килобайт ) Кол-во скачиваний: 1269
 
Go to the top of the page
¬
Вставить ник в форму быстрого ответа
+Quote Post
starshina06
сообщение 10.8.2016, 12:39
Сообщение #6


Технический Маньяк
***

Группа:
Технический Маньяк
Сообщений: 280
Регистрация: 7.9.2010
Из: Люберцы
Вне форума
Авто: cs3a

Репутация:   14  


отлично!!
Go to the top of the page
¬
Вставить ник в форму быстрого ответа
+Quote Post
matros
сообщение 18.8.2017, 12:53
Сообщение #7


Технический Маньяк
***

Группа:
Технический Маньяк
Сообщений: 176
Регистрация: 9.10.2011
Из: Тула
Вне форума
Авто: Lancer IX 1.6 MT 2006

Репутация:   4  


Цитата(AKStyle @ 18.8.2015, 12:26) *
...Все опробовано лично, кроме оправок для задних продольных рычагов.
4. Сайлентблоки на задних продольных рычагах
Прикрепленное изображение

Недавно менял (на не снятом рычаге), оправки подойдут, разве что для выпрессовки, да и то вряд ли, т.к. обойма сайленблока в коррозии, и проще сайлентблок выбить, предварительно ослабив посадку подгибанием краев внутрь (можно предварительно подпилить обойму сайлентблока).
Поставить с оправкой (на рисунке снизу) вообще проблематично, оправка наравит съехать с сайленблока, последствия (если упустить момент и тянуть) - деформация внешней обоймы сайлентблока. Нужна другая оправка с проточкой под обойму сайлентблока, хватит и 2 мм, как на рисунке 1. Можно, конечно, поставить между оправкой и сайлентблоком пластины толстые, а лучше уголки. Да, и у первой оправке на рисунке, где два непонятных размера, хватит и 60 общей длины, а не 70.
Go to the top of the page
¬
Вставить ник в форму быстрого ответа
+Quote Post
serega098
сообщение 18.8.2017, 13:28
Сообщение #8


Супер Технический Маньяк
*****

Группа:
Технический Маньяк
Сообщений: 582
Регистрация: 22.6.2012
Из: Россия, Нижегородская обл., г. Арзамас
Вне форума
Авто: Lancer IX, 4G18, MT

Репутация:   60  


matros, сильно неудобно перепресовать не снимая рычаг?
Go to the top of the page
¬
Вставить ник в форму быстрого ответа
+Quote Post
matros
сообщение 18.8.2017, 14:26
Сообщение #9


Технический Маньяк
***

Группа:
Технический Маньяк
Сообщений: 176
Регистрация: 9.10.2011
Из: Тула
Вне форума
Авто: Lancer IX 1.6 MT 2006

Репутация:   4  


Нормально все, могу через 2 недели сделать фотоотчет, сегодня не успею, завтра с утра в Крым (с телефона будет не удобно), главное хороший съемник, вернее запресовывальщик, иначе гемор!
Go to the top of the page
¬
Вставить ник в форму быстрого ответа
+Quote Post
serega098
сообщение 18.8.2017, 14:31
Сообщение #10


Супер Технический Маньяк
*****

Группа:
Технический Маньяк
Сообщений: 582
Регистрация: 22.6.2012
Из: Россия, Нижегородская обл., г. Арзамас
Вне форума
Авто: Lancer IX, 4G18, MT

Репутация:   60  


Из Вашего описания понял, что нужно на маленткой оправке сделать внутреннюю проточку диаметром под сайлент. Верно?
Go to the top of the page
¬
Вставить ник в форму быстрого ответа
+Quote Post
matros
сообщение 18.8.2017, 14:43
Сообщение #11


Технический Маньяк
***

Группа:
Технический Маньяк
Сообщений: 176
Регистрация: 9.10.2011
Из: Тула
Вне форума
Авто: Lancer IX 1.6 MT 2006

Репутация:   4  


Нет, она будет совсем другого размера, позже выложу чертеж. Здесь все просто, оправка на исходном чертеже 80 и сайлент в диаметре 80, все плюс минус, и как не крути, как в анекдоте: ...правда у тринадцатого все время одна лапка соскальзывает!
З.Ы. В сервисе просят нереальные деньги за замену, т.к. они снимают рычаг, а может быть так говорят...
Go to the top of the page
¬
Вставить ник в форму быстрого ответа
+Quote Post
serega098
сообщение 18.8.2017, 15:05
Сообщение #12


Супер Технический Маньяк
*****

Группа:
Технический Маньяк
Сообщений: 582
Регистрация: 22.6.2012
Из: Россия, Нижегородская обл., г. Арзамас
Вне форума
Авто: Lancer IX, 4G18, MT

Репутация:   60  


Да я понял, что оправку придётся сделать немного больше в диаметре. Вопрос в другом был. (IMG:style_emoticons/default/smile.gif)
Ну правильнее, наверное, всё же снимать рычаг. Но уж слишком геморно выходит. Я тоже хочу не снимая поменять.
Приятного отдыха! (IMG:style_emoticons/default/smile.gif)
Две недели не вытерплю. Отслоилась резина от внешней обоймы сайлента.
Go to the top of the page
¬
Вставить ник в форму быстрого ответа
+Quote Post
matros
сообщение 18.8.2017, 16:07
Сообщение #13


Технический Маньяк
***

Группа:
Технический Маньяк
Сообщений: 176
Регистрация: 9.10.2011
Из: Тула
Вне форума
Авто: Lancer IX 1.6 MT 2006

Репутация:   4  


Правильно понял, большего размера и фаску проточить под размер сайлента, чтоб он никуда не смещался.
Резина полностью отслоилась? Если местами, то можно не спешить. Посмотри на форуме ЛК в теме "закисли сайлентблоки", в принципе, у меня не было даже сквозного отслоения, можно год было смело не менять.
Коротко:
1. Открутил болт, и немного поддамкрачиваешь.
2. Тянешь рычаг вниз и заводишь на себя и отпускаешь, он упирается в кузов (проушина где болт заворачиваешь)
3. Подпиливаешь маленькой болгаркой аккуратно выступающие концы сайлента до рычага с двух сторон, затем в сайлент вставляешь пилу по металлу (пилкой во внутрь) и пропиливаешь обойму, не переусердствуй, можно пилить не до конца.
4. Берешь молоток и кувалду, острым концом молотка ставишь на один конец отпила и бьешь кувалдой, также на другой - этим самым ослабляется посадка сайлента, затем молоток тупым концом на кромку сайлента и кувалдой, и так пару ударов слева и справа - и все
5. Стачиваешь на точиле край кромки сайлента (откуда запрессовка), чтоб исключить перекос при запрессовки, и в путь прессуешь, учесть расстояние при запррессовки
Go to the top of the page
¬
Вставить ник в форму быстрого ответа
+Quote Post
serega098
сообщение 18.8.2017, 16:21
Сообщение #14


Супер Технический Маньяк
*****

Группа:
Технический Маньяк
Сообщений: 582
Регистрация: 22.6.2012
Из: Россия, Нижегородская обл., г. Арзамас
Вне форума
Авто: Lancer IX, 4G18, MT

Репутация:   60  


Спасибо за советы! (IMG:style_emoticons/default/drinks.gif)
Go to the top of the page
¬
Вставить ник в форму быстрого ответа
+Quote Post
matros
сообщение 18.8.2017, 16:30
Сообщение #15


Технический Маньяк
***

Группа:
Технический Маньяк
Сообщений: 176
Регистрация: 9.10.2011
Из: Тула
Вне форума
Авто: Lancer IX 1.6 MT 2006

Репутация:   4  


Не за что (IMG:style_emoticons/default/drinks.gif)
Go to the top of the page
¬
Вставить ник в форму быстрого ответа
+Quote Post
serega098
сообщение 23.12.2017, 21:04
Сообщение #16


Супер Технический Маньяк
*****

Группа:
Технический Маньяк
Сообщений: 582
Регистрация: 22.6.2012
Из: Россия, Нижегородская обл., г. Арзамас
Вне форума
Авто: Lancer IX, 4G18, MT

Репутация:   60  


Цитата(AKStyle @ 18.8.2015, 12:26) *
4. Сайлентблоки на задних продольных рычагах
Прикрепленное изображение


Диаметр 81 мм маловат. Сайлент диаметром 81,2 мм.
Тачка стоит в гараже без этих сайлентов, блин. (IMG:style_emoticons/default/laugh.gif)
Go to the top of the page
¬
Вставить ник в форму быстрого ответа
+Quote Post
serega098
сообщение 25.12.2017, 14:35
Сообщение #17


Супер Технический Маньяк
*****

Группа:
Технический Маньяк
Сообщений: 582
Регистрация: 22.6.2012
Из: Россия, Нижегородская обл., г. Арзамас
Вне форума
Авто: Lancer IX, 4G18, MT

Репутация:   60  


Короче, вот:
Прикрепленное изображение


Прикрепленное изображение


Это для большого сайлента заднего продольного рычага.
Нормально перепрессовывается, но я постукивал по оправке периодически, когда тяжело начинало идти. Т.е. подтянул винтом, простучал, подтянул, простучал. Главное глубже чем положено не загнать. 16,2 мм от края сайлента до поверхности рычага, измерять с наружной стороны.
Go to the top of the page
¬
Вставить ник в форму быстрого ответа
+Quote Post
Engineer
сообщение 13.1.2018, 17:53
Сообщение #18


Технический Маньяк
***

Группа:
Технический Маньяк
Сообщений: 189
Регистрация: 28.7.2009
Из: Регион 52
Вне форума


Репутация:   0  


Всем доброго времени
Нашел в закромах схемку, присланную в свое время из Центра Ремонтных Технологий (более известного нам как "Точка Опоры").
Как говорится, универсальное решение для сайлентов без внешней обоймы(например, передний сайлентблок переднего рычага). Мало ли, вдруг кому пригодится.
Прикрепленный файл  konus.pdf ( 37,67 килобайт ) Кол-во скачиваний: 1657
Go to the top of the page
¬
Вставить ник в форму быстрого ответа
+Quote Post
serega098
сообщение 13.1.2018, 19:58
Сообщение #19


Супер Технический Маньяк
*****

Группа:
Технический Маньяк
Сообщений: 582
Регистрация: 22.6.2012
Из: Россия, Нижегородская обл., г. Арзамас
Вне форума
Авто: Lancer IX, 4G18, MT

Репутация:   60  


А что тут универсального?
Go to the top of the page
¬
Вставить ник в форму быстрого ответа
+Quote Post
Engineer
сообщение 14.1.2018, 1:43
Сообщение #20


Технический Маньяк
***

Группа:
Технический Маньяк
Сообщений: 189
Регистрация: 28.7.2009
Из: Регион 52
Вне форума


Репутация:   0  


Согласен, универсального там разве что изменение диаметров. Ну и да, забыл упомянуть, что это для сайлентов без внешней обоймы, исправил.
Но не стоит забывать, что некоторые полиуретан впервые в жизни видят. А уж тем более, если другие некоторые что-то берут, и начинают дотачивать, протачивать и т.д.

p.s. Сам просто в свое время так же копался, не входил сайлент с тягу, побоялся порвать, слишком игрушечно и натянуто он смотрелся в прессе. Пришлось изобретать конуса (IMG:style_emoticons/default/smile.gif)
Go to the top of the page
¬
Вставить ник в форму быстрого ответа
+Quote Post

Fast ReplyReply to this topicStart new topic
2 чел. читают эту тему (гостей: 2, скрытых пользователей: 0)
Пользователей: 0

 



Быстрый заказ, позвонить +7-978-708-85-73
Дроссель Amadeus Productions. Быстрый заказ по телефону.
(Viber, WhatsApp, Telegram)
Amadeus Productions Дроссельный узел на Lancer IX 1.6 (4G18), 2.0 (4G63) и другие моторы
Ремкомплект РХХ на Mitsubishi Lancer IX, 1.6 (4G18), MD619857, 1450A116
Облегченный маховик на 1.6 (4G18) и другие моторы
Облегченные шкивы на 1.6 (4G18) и другие моторы
One-touch или "Ленивые поворотники"