Быстрый заказ, позвонить +7-978-708-85-73
Дроссель Amadeus Productions. Быстрый заказ по телефону.
(Viber, WhatsApp, Telegram)
Amadeus Productions Дроссельный узел на Lancer IX 1.6 (4G18), 2.0 (4G63) и другие моторы
Ремкомплект РХХ на Mitsubishi Lancer IX, 1.6 (4G18), MD619857, 1450A116
Облегченный маховик на 1.6 (4G18) и другие моторы
Облегченные шкивы на 1.6 (4G18) и другие моторы
One-touch или "Ленивые поворотники"

11 страниц V  « < 9 10 11  
Reply to this topicStart new topic
> Нормальные тормоза на 2.0 и 1.6, 4 поршня перед
Covenant
сообщение 28.4.2016, 16:28
Сообщение #201


Технический Маньяк-Гуру
*******

Группа:
Технический Маньяк
Сообщений: 1144
Регистрация: 10.7.2013
Из: Санкт-Петербург
Вне форума
Авто: Hyundai Santa Fe 2

Репутация:   18  


Flint_WP, у аута и ланса кулаки одинаковые, но вот одно НО: у эво разлет 160мм, а на фото проставок максимум 140мм, делаем вывод - проставка с брембо эво не подходит для брембо бмв. А еще на фото видна выточка для смещения суппорта, которое ловить надо.
Go to the top of the page
¬
Вставить ник в форму быстрого ответа
+Quote Post
Shs512
сообщение 2.9.2016, 21:21
Сообщение #202


Технический Маньяк
***

Группа:
Технический Маньяк
Сообщений: 207
Регистрация: 22.7.2015
Из: Москва
Вне форума
Авто: Lancer 9 1,6 MT

Репутация:   11  


Поделитесь у кого есть чертеж переходных пластин на 4-pot Brembo E38 под наши Лансеры.
Диски к ним болт он 321ммХ28мм к нам встают от Санта фе.
Go to the top of the page
¬
Вставить ник в форму быстрого ответа
+Quote Post
palmaz
сообщение 3.9.2016, 0:22
Сообщение #203


Технический Маньяк-Гуру
*******

Группа:
Технический Маньяк
Сообщений: 1807
Регистрация: 26.6.2009
Из: МО, Кубинка
Вне форума


Репутация:   42  


Цитата(Shs512 @ 2.9.2016, 22:21) *
Поделитесь у кого есть чертеж переходных пластин на 4-pot Brembo E38 под наши Лансеры.
Диски к ним болт он 320ммХ28мм к нам встают от Санта фе.

приезжай дам макет
Go to the top of the page
¬
Вставить ник в форму быстрого ответа
+Quote Post
Толясик
сообщение 5.9.2016, 14:57
Сообщение #204


Начинающий Технический Маньяк
**

Группа:
Технический Маньяк
Сообщений: 87
Регистрация: 23.12.2013
Из: Сосновый Бор (Почти СПб)
Вне форума
Авто: Lancer 9 1.6

Репутация:   1  


Цитата(Shs512 @ 2.9.2016, 21:21) *
Поделитесь у кого есть чертеж переходных пластин на 4-pot Brembo E38 под наши Лансеры.
Диски к ним болт он 320ммХ28мм к нам встают от Санта фе.

Тоже интересует чертеж. Может поделится кто-нибудь?
Go to the top of the page
¬
Вставить ник в форму быстрого ответа
+Quote Post
Shs512
сообщение 5.9.2016, 16:55
Сообщение #205


Технический Маньяк
***

Группа:
Технический Маньяк
Сообщений: 207
Регистрация: 22.7.2015
Из: Москва
Вне форума
Авто: Lancer 9 1,6 MT

Репутация:   11  


Цитата(Толясик @ 5.9.2016, 14:57) *
Тоже интересует чертеж. Может поделится кто-нибудь?



Если до Сани доеду, после начерчу для всех.
Go to the top of the page
¬
Вставить ник в форму быстрого ответа
+Quote Post
Толясик
сообщение 6.9.2016, 12:01
Сообщение #206


Начинающий Технический Маньяк
**

Группа:
Технический Маньяк
Сообщений: 87
Регистрация: 23.12.2013
Из: Сосновый Бор (Почти СПб)
Вне форума
Авто: Lancer 9 1.6

Репутация:   1  


Цитата(Shs512 @ 5.9.2016, 16:55) *
Цитата(Толясик @ 5.9.2016, 14:57) *
Тоже интересует чертеж. Может поделится кто-нибудь?



Если до Сани доеду, после начерчу для всех.

Буду очень благодарен!!!
Go to the top of the page
¬
Вставить ник в форму быстрого ответа
+Quote Post
Shs512
сообщение 6.9.2016, 12:55
Сообщение #207


Технический Маньяк
***

Группа:
Технический Маньяк
Сообщений: 207
Регистрация: 22.7.2015
Из: Москва
Вне форума
Авто: Lancer 9 1,6 MT

Репутация:   11  


Цитата(Толясик @ 6.9.2016, 12:01) *
Буду очень благодарен!!!


Мне самому надо. Чертеж в любом случае будет, вопрос только во времени.
Go to the top of the page
¬
Вставить ник в форму быстрого ответа
+Quote Post
Shs512
сообщение 25.9.2016, 23:04
Сообщение #208


Технический Маньяк
***

Группа:
Технический Маньяк
Сообщений: 207
Регистрация: 22.7.2015
Из: Москва
Вне форума
Авто: Lancer 9 1,6 MT

Репутация:   11  


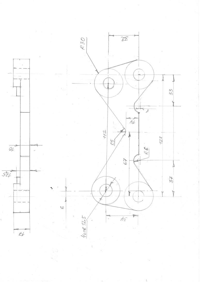
Чертеж правой переходной пластины на Brembo Е38 128мм кулак.
Левая будет зеркальная.
Прикрепленное изображение
Go to the top of the page
¬
Вставить ник в форму быстрого ответа
+Quote Post
Толясик
сообщение 26.9.2016, 8:43
Сообщение #209


Начинающий Технический Маньяк
**

Группа:
Технический Маньяк
Сообщений: 87
Регистрация: 23.12.2013
Из: Сосновый Бор (Почти СПб)
Вне форума
Авто: Lancer 9 1.6

Репутация:   1  


Спасибо огромное)))
Go to the top of the page
¬
Вставить ник в форму быстрого ответа
+Quote Post
tbos
сообщение 27.9.2016, 9:22
Сообщение #210


Технический Маньяк
***

Группа:
Технический Маньяк
Сообщений: 271
Регистрация: 12.6.2010
Из: Пермь
Вне форума
Авто: Lancer STW 2.0 MT Turbo 4WD

Репутация:   6  


А кто-нибудь знает какие диски налезут на эти суппорта, с какими параметрами?
Go to the top of the page
¬
Вставить ник в форму быстрого ответа
+Quote Post
Толясик
сообщение 27.9.2016, 13:45
Сообщение #211


Начинающий Технический Маньяк
**

Группа:
Технический Маньяк
Сообщений: 87
Регистрация: 23.12.2013
Из: Сосновый Бор (Почти СПб)
Вне форума
Авто: Lancer 9 1.6

Репутация:   1  


Цитата(tbos @ 27.9.2016, 9:22) *
А кто-нибудь знает какие диски налезут на эти суппорта, с какими параметрами?

Если не ошибаюсь, то 320х28 от Санта фе.
Go to the top of the page
¬
Вставить ник в форму быстрого ответа
+Quote Post
tbos
сообщение 27.9.2016, 20:03
Сообщение #212


Технический Маньяк
***

Группа:
Технический Маньяк
Сообщений: 271
Регистрация: 12.6.2010
Из: Пермь
Вне форума
Авто: Lancer STW 2.0 MT Turbo 4WD

Репутация:   6  


Цитата(Толясик @ 27.9.2016, 15:45) *
Если не ошибаюсь, то 320х28 от Санта фе.

Я не про эти диски. А про колесные. Просто совсем недавно покупал лето новое, но и тормозов лишних не бывает. И теперь хочу соединить брембо и ворки.
Go to the top of the page
¬
Вставить ник в форму быстрого ответа
+Quote Post
Shs512
сообщение 28.9.2016, 9:29
Сообщение #213


Технический Маньяк
***

Группа:
Технический Маньяк
Сообщений: 207
Регистрация: 22.7.2015
Из: Москва
Вне форума
Авто: Lancer 9 1,6 MT

Репутация:   11  


По величине диаметра R17 достаточно.
А вот с ЕТ надо смотреть каждый случай индивидуально, от выгиба спиц зависит.
У меня с Work Emotion CR-KAI R17 ET=47мм необходимы проставки более 15мм. Если диски тормозные будут больше и суппорт сместится, то 10мм хватит, оптимальный выгиб спиц на диске не совпадает с местом суппортов.
Go to the top of the page
¬
Вставить ник в форму быстрого ответа
+Quote Post
tbos
сообщение 28.9.2016, 10:10
Сообщение #214


Технический Маньяк
***

Группа:
Технический Маньяк
Сообщений: 271
Регистрация: 12.6.2010
Из: Пермь
Вне форума
Авто: Lancer STW 2.0 MT Turbo 4WD

Репутация:   6  


Цитата(Shs512 @ 28.9.2016, 11:29) *
По величине диаметра R17 достаточно.
А вот с ЕТ надо смотреть каждый случай индивидуально, от выгиба спиц зависит.
У меня с Work Emotion CR-KAI R17 ET=47мм необходимы проставки более 15мм. Если диски тормозные будут больше и суппорт сместится, то 10мм хватит, оптимальный выгиб спиц на диске не совпадает с местом суппортов.

Плохо. У меня как раз такие диски с вылетом 42 только.
Go to the top of the page
¬
Вставить ник в форму быстрого ответа
+Quote Post
Shs512
сообщение 28.9.2016, 10:33
Сообщение #215


Технический Маньяк
***

Группа:
Технический Маньяк
Сообщений: 207
Регистрация: 22.7.2015
Из: Москва
Вне форума
Авто: Lancer 9 1,6 MT

Репутация:   11  


Тогда около 10мм проставка понадобится.
Go to the top of the page
¬
Вставить ник в форму быстрого ответа
+Quote Post

11 страниц V  « < 9 10 11
Fast ReplyReply to this topicStart new topic
5 чел. читают эту тему (гостей: 5, скрытых пользователей: 0)
Пользователей: 0

 



Быстрый заказ, позвонить +7-978-708-85-73
Дроссель Amadeus Productions. Быстрый заказ по телефону.
(Viber, WhatsApp, Telegram)
Amadeus Productions Дроссельный узел на Lancer IX 1.6 (4G18), 2.0 (4G63) и другие моторы
Ремкомплект РХХ на Mitsubishi Lancer IX, 1.6 (4G18), MD619857, 1450A116
Облегченный маховик на 1.6 (4G18) и другие моторы
Облегченные шкивы на 1.6 (4G18) и другие моторы
One-touch или "Ленивые поворотники"