Быстрый заказ, позвонить +7-978-708-85-73
Дроссель Amadeus Productions. Быстрый заказ по телефону.
(Viber, WhatsApp, Telegram)
Amadeus Productions Дроссельный узел на Lancer IX 1.6 (4G18), 2.0 (4G63) и другие моторы
Ремкомплект РХХ на Mitsubishi Lancer IX, 1.6 (4G18), MD619857, 1450A116
Облегченный маховик на 1.6 (4G18) и другие моторы
Облегченные шкивы на 1.6 (4G18) и другие моторы
One-touch или "Ленивые поворотники"

5 страниц V  « < 3 4 5  
Reply to this topicStart new topic
> Как сделать, чтобы при включении дальнего света не гас ближний?, Только для владельцев фар с раздельным светом!
Korso
сообщение 18.2.2016, 1:28
Сообщение #81


Начинающий Технический Маньяк
**

Группа:
Технический Маньяк
Сообщений: 8
Регистрация: 5.6.2015
Вне форума
Авто: Lancer 2006 ES 2.0

Репутация:   1  


Привет всем!
Не нашел другой подходящей темы про Front Ecu, решил написать сюда.
Ситуация следующая - машина американец лансер 2006 года 2.0 АТ CS6A, Front ECU - коробочка не зеленого, а красного цвета MR5878 и ближний в полнакала в качестве ДХО включается при включении зажигания автоматически. Видимо красная коробочка модификация зеленой и ДХО включены с завода.
Начитавшись здесь, загорелся установить линзы с ксеноном в стоковые фары, а для этого надо отучить ближний включаться в полнакала, чтобы не ездить потом с моргающими фарами) (а ДХО потом отдельными поставлю).
Подскажите может кто сталкивался с подобной задачей?

Прикрепленное изображение
Go to the top of the page
¬
Вставить ник в форму быстрого ответа
+Quote Post
Korso
сообщение 18.2.2016, 1:58
Сообщение #82


Начинающий Технический Маньяк
**

Группа:
Технический Маньяк
Сообщений: 8
Регистрация: 5.6.2015
Вне форума
Авто: Lancer 2006 ES 2.0

Репутация:   1  


И в продолжение.. поискав по интеренету нашел на сайте эклипсоводов где загибают 30 пин (это получается IG2)
фото с сайта
Прикрепленное изображение

вот умелец пошел дальше и сделал переключатель - "хочу с дхо ездию, хочу без.." ))
Прикрепленное изображение


Вроде как выглядит что я отвечаю на свой собственный вопрос))
Но я прошу помочь разобраться что влечет за собой отключение, загибание этого контакта? Потому как в отзывах некоторые отписываются что перестали мограть поворотники при постановке на сигналку, у кого-то перестали брызгать сикалки. Но есть и положительные отзывы.

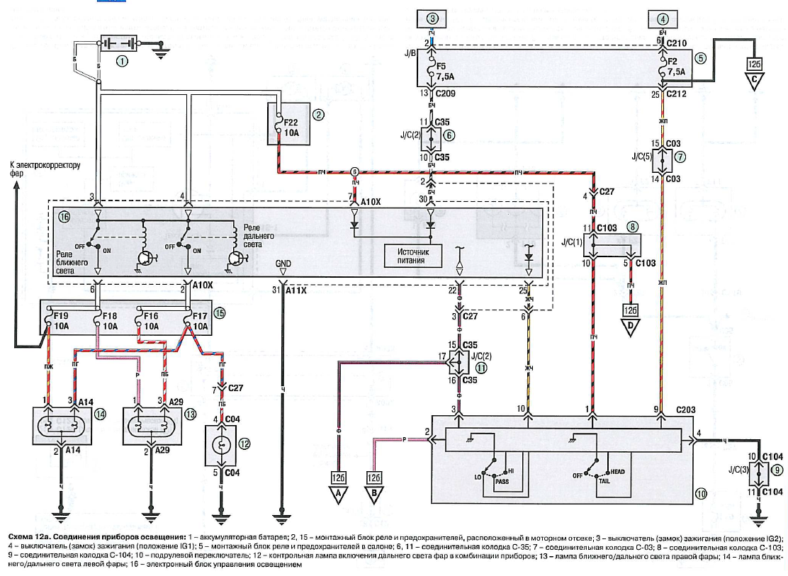
По схеме получается что не приходит сигнал IG2 с замка зажигания и Front ECU не видит что машина завелась и не включает ДХО или как?! И что за "источник питания"?
Прикрепленное изображение
Go to the top of the page
¬
Вставить ник в форму быстрого ответа
+Quote Post
cooler.nvkz
сообщение 18.2.2016, 5:19
Сообщение #83


Супер Технический Маньяк
*****

Группа:
Технический Маньяк
Сообщений: 635
Регистрация: 4.11.2012
Из: Новокузнецк
Вне форума
Авто: cedia.wagon

Репутация:   12  


Korso, а такая же схема от ближнего/дальнего/ходовыхогней есть?
Go to the top of the page
¬
Вставить ник в форму быстрого ответа
+Quote Post
Korso
сообщение 18.2.2016, 10:08
Сообщение #84


Начинающий Технический Маньяк
**

Группа:
Технический Маньяк
Сообщений: 8
Регистрация: 5.6.2015
Вне форума
Авто: Lancer 2006 ES 2.0

Репутация:   1  


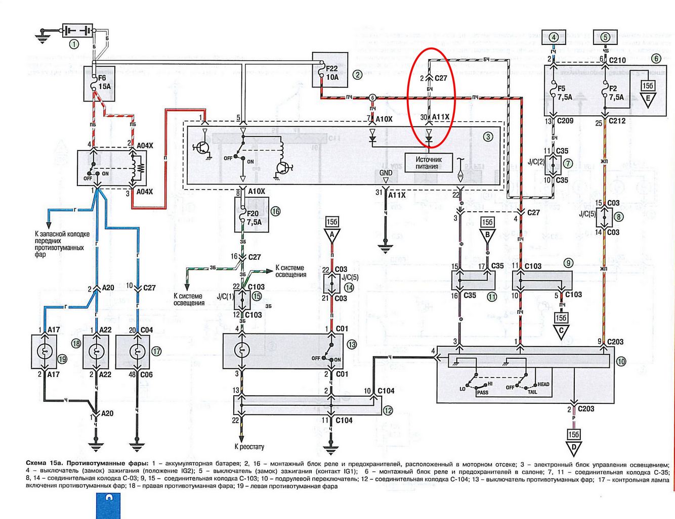
Вот есть такая из книжки третьего рима, но здесь ничего не говорится про ходовые (ДХО, DRL)
Прикрепленное изображение

и там у них по картинкам зеленый front ecu..

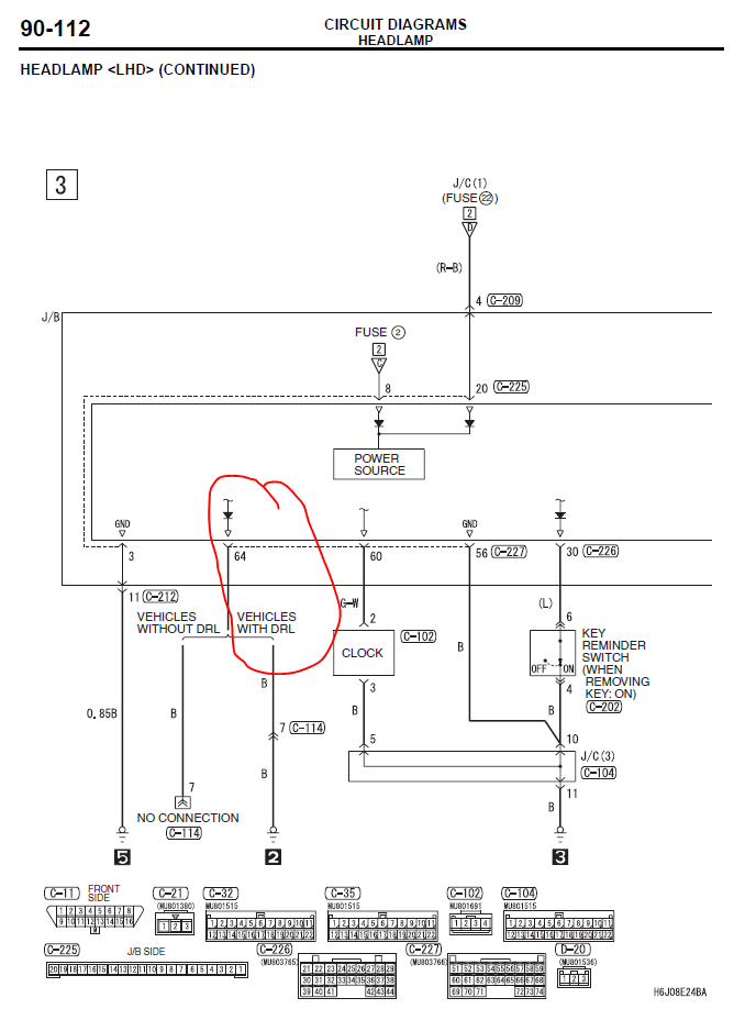
..вот кстати нашел такую схемку на головной свет с упоминанием DRL (здесь на форуме файлик electroschema-L9.pdf)
Прикрепленное изображение

Кто знает за что отвечает 64 контакт на ETACS'e?
Go to the top of the page
¬
Вставить ник в форму быстрого ответа
+Quote Post
cooler.nvkz
сообщение 18.2.2016, 12:55
Сообщение #85


Супер Технический Маньяк
*****

Группа:
Технический Маньяк
Сообщений: 635
Регистрация: 4.11.2012
Из: Новокузнецк
Вне форума
Авто: cedia.wagon

Репутация:   12  


Korso, 64 если на земле - будут габариты и ближний включаться... подсветка в салоне нет....

ну тогда только искать схему от американца и там смотреть.... или электрика толкового....
Go to the top of the page
¬
Вставить ник в форму быстрого ответа
+Quote Post
Korso
сообщение 18.2.2016, 22:47
Сообщение #86


Начинающий Технический Маньяк
**

Группа:
Технический Маньяк
Сообщений: 8
Регистрация: 5.6.2015
Вне форума
Авто: Lancer 2006 ES 2.0

Репутация:   1  


А по поводу загибания 30 контакта есть идеи? Каких функций может лишиться FrontECU без сигнала IG2?
Go to the top of the page
¬
Вставить ник в форму быстрого ответа
+Quote Post
Ska3o4Nikc
сообщение 8.11.2017, 12:43
Сообщение #87


Начинающий Технический Маньяк
**

Группа:
Технический Маньяк
Сообщений: 3
Регистрация: 8.1.2017
Вне форума


Репутация:   0  


доброго дня! Стоит ксенон, и при моргании дальним, шторка опускаешься, и «ближний» горит. Но при включении на постоянку дальнего- шторка опускаеться, а ксенон гаснет(т.к. Подключён к ближнему)
Вопрос поможет-ли мне перемычка между 29 и31 контактом в ECU ?
Go to the top of the page
¬
Вставить ник в форму быстрого ответа
+Quote Post
Titus
сообщение 8.11.2017, 12:58
Сообщение #88


Don Amadeus
*******

Группа:
Главные администраторы
Сообщений: 29962
Регистрация: 19.2.2009
Из: Russia, Sevastopol
Вне форума
Авто: Lancer IX-1.6 MT Turbo, Honda Accord IX-2.4 AT Executive.

Репутация:   466  


Приветствую, должна помочь, именно об этом данная тема (IMG:style_emoticons/default/smile.gif)
Go to the top of the page
¬
Вставить ник в форму быстрого ответа
+Quote Post
Electric
сообщение 10.6.2022, 1:21
Сообщение #89


Супер Технический Маньяк
*****

Группа:
Технический Маньяк
Сообщений: 868
Регистрация: 14.6.2012
Вне форума


Репутация:   5  


замыкание 29 и 31 не помогло в моем Cedia.... электрик установил силовые диоды в самих фарах - помогло...
ЗЫ: менял одноламповые фары на 2 ламповые модульные
Go to the top of the page
¬
Вставить ник в форму быстрого ответа
+Quote Post

5 страниц V  « < 3 4 5
Reply to this topicStart new topic
2 чел. читают эту тему (гостей: 2, скрытых пользователей: 0)
Пользователей: 0

 



Быстрый заказ, позвонить +7-978-708-85-73
Дроссель Amadeus Productions. Быстрый заказ по телефону.
(Viber, WhatsApp, Telegram)
Amadeus Productions Дроссельный узел на Lancer IX 1.6 (4G18), 2.0 (4G63) и другие моторы
Ремкомплект РХХ на Mitsubishi Lancer IX, 1.6 (4G18), MD619857, 1450A116
Облегченный маховик на 1.6 (4G18) и другие моторы
Облегченные шкивы на 1.6 (4G18) и другие моторы
One-touch или "Ленивые поворотники"