Быстрый заказ, позвонить +7-978-708-85-73
Дроссель Amadeus Productions. Быстрый заказ по телефону.
(Viber, WhatsApp, Telegram)
Amadeus Productions Дроссельный узел на Lancer IX 1.6 (4G18), 2.0 (4G63) и другие моторы
Ремкомплект РХХ на Mitsubishi Lancer IX, 1.6 (4G18), MD619857, 1450A116
Облегченный маховик на 1.6 (4G18) и другие моторы
Облегченные шкивы на 1.6 (4G18) и другие моторы
One-touch или "Ленивые поворотники"

 
Reply to this topicStart new topic
> Габариты Mitsubishi Lancer9 2006 1.6
ura
сообщение 26.2.2011, 21:15
Сообщение #1


Начинающий Технический Маньяк
**

Группа:
Технический Маньяк
Сообщений: 7
Регистрация: 13.11.2010
Вне форума


Репутация:   0  


Машина простояла 2 месяца, после запуска и езди я обнаружил что пропал дальний свет и габарити ,( до етого все работало) при вкл габаритов ничего не светится нигде но индикатор часов притухает, переходя на ближний свет он засвечивается без габаритов и непереключается на дальний Предохранители света целие если на них подать питания габарити все светятся С чево надо начать искать неисправность помогите
Go to the top of the page
¬
Вставить ник в форму быстрого ответа
+Quote Post
palmaz
сообщение 26.2.2011, 21:35
Сообщение #2


Технический Маньяк-Гуру
*******

Группа:
Технический Маньяк
Сообщений: 1807
Регистрация: 26.6.2009
Из: МО, Кубинка
Вне форума


Репутация:   42  


Под капотом в блоке предохранителей есть хрень желтая - в ней предохр.
Go to the top of the page
¬
Вставить ник в форму быстрого ответа
+Quote Post
haris
сообщение 26.2.2011, 21:39
Сообщение #3


Технический Маньяк-Гуру
*******

Группа:
Технический Маньяк
Сообщений: 2443
Регистрация: 25.12.2009
Из: Уфа - город трех шурупов
Вне форума
Авто: Subaru XV

Репутация:   57  


Точно не уверен, но может быть неисправность блока ECU? На фотке зеленая коробка под номером 25...

Прикрепленное изображение
Go to the top of the page
¬
Вставить ник в форму быстрого ответа
+Quote Post
ura
сообщение 26.2.2011, 21:41
Сообщение #4


Начинающий Технический Маньяк
**

Группа:
Технический Маньяк
Сообщений: 7
Регистрация: 13.11.2010
Вне форума


Репутация:   0  


palmaz внутри N 25 правильно
Go to the top of the page
¬
Вставить ник в форму быстрого ответа
+Quote Post
ura
сообщение 26.2.2011, 21:43
Сообщение #5


Начинающий Технический Маньяк
**

Группа:
Технический Маньяк
Сообщений: 7
Регистрация: 13.11.2010
Вне форума


Репутация:   0  


(IMG:style_emoticons/default/mellow.gif)
Go to the top of the page
¬
Вставить ник в форму быстрого ответа
+Quote Post
Titus
сообщение 26.2.2011, 21:52
Сообщение #6


Don Amadeus
*******

Группа:
Главные администраторы
Сообщений: 29955
Регистрация: 19.2.2009
Из: Russia, Sevastopol
Вне форума
Авто: Lancer IX-1.6 MT Turbo, Honda Accord IX-2.4 AT Executive.

Репутация:   466  


Не, в желтой рамке преды отвечают за музыку, освещение салона.
Либо FrontECU и правда (зелёная коробка), либо по контактам пройтись надо. Я же на лансер-клубе украинском это же писал (IMG:style_emoticons/default/wink.gif)
Go to the top of the page
¬
Вставить ник в форму быстрого ответа
+Quote Post
haris
сообщение 26.2.2011, 22:01
Сообщение #7


Технический Маньяк-Гуру
*******

Группа:
Технический Маньяк
Сообщений: 2443
Регистрация: 25.12.2009
Из: Уфа - город трех шурупов
Вне форума
Авто: Subaru XV

Репутация:   57  


Чтобы не гадать, возьмите такой же, заведомо исправный, блок, поменяйте и посмотрите, что получится...
Go to the top of the page
¬
Вставить ник в форму быстрого ответа
+Quote Post
dinamix
сообщение 9.4.2012, 14:02
Сообщение #8


Начинающий Технический Маньяк
**

Группа:
Технический Маньяк
Сообщений: 28
Регистрация: 9.4.2012
Вне форума
Авто: Mitsubishi Lancer IX

Репутация:   0  


Всем здрасьте. Дабы не создавать новую тему, отпишусь в этой, уж больно похожа на мою. Вообщем проблема такая: дворники работают только на 2 и 3 скорости, 1-я и короткая (вверх) не работает, пытаюсь опрыскать стекло омывалкой, моторчик даже не шевелится, звука вообще никакого и дальний свет вообще не включается, ближний работает. Предохранители целые. Моторчик омывалки напрямую замыкали (работает), пробывал другой подрулевой ставить (то же самое), поставил рабочий ECU (тоже самое). При включении габаритов приборка не горит, но часы тухнут, при включении ближнего света приборка загорается и габариты снаружи (т.е. работают только в паре).

Кто что может сказать по данной теме?
Go to the top of the page
¬
Вставить ник в форму быстрого ответа
+Quote Post
Titus
сообщение 11.4.2012, 16:11
Сообщение #9


Don Amadeus
*******

Группа:
Главные администраторы
Сообщений: 29955
Регистрация: 19.2.2009
Из: Russia, Sevastopol
Вне форума
Авто: Lancer IX-1.6 MT Turbo, Honda Accord IX-2.4 AT Executive.

Репутация:   466  


Рабочий ECU - имеется ввиду Front ECU, зеленая коробочка в подкапотном блоке предохранителей? Ее именно пробовали другу ставить и ничего не изменилось? (IMG:style_emoticons/default/smile.gif) Если да - то следующим этапом я бы попробовал подкинуть другой ETACS в машину, заведомо рабочий (взять у кого на 15 минут) и посмотреть, что будет, чтобы определить четко место неисправности (IMG:style_emoticons/default/wink.gif)
Go to the top of the page
¬
Вставить ник в форму быстрого ответа
+Quote Post
dinamix
сообщение 11.4.2012, 16:54
Сообщение #10


Начинающий Технический Маньяк
**

Группа:
Технический Маньяк
Сообщений: 28
Регистрация: 9.4.2012
Вне форума
Авто: Mitsubishi Lancer IX

Репутация:   0  


Цитата(Titus @ 11.4.2012, 17:11) *
Рабочий ECU - имеется ввиду Front ECU, зеленая коробочка в подкапотном блоке предохранителей? Ее именно пробовали другу ставить и ничего не изменилось? (IMG:style_emoticons/default/smile.gif) Если да - то следующим этапом я бы попробовал подкинуть другой ETACS в машину, заведомо рабочий (взять у кого на 15 минут) и посмотреть, что будет, чтобы определить четко место неисправности (IMG:style_emoticons/default/wink.gif)

именно FrontECU менял, эффекта 0. А ETACS это я так понял коробочка в ногах, куда предохранители вставлены?
Go to the top of the page
¬
Вставить ник в форму быстрого ответа
+Quote Post
Titus
сообщение 11.4.2012, 17:05
Сообщение #11


Don Amadeus
*******

Группа:
Главные администраторы
Сообщений: 29955
Регистрация: 19.2.2009
Из: Russia, Sevastopol
Вне форума
Авто: Lancer IX-1.6 MT Turbo, Honda Accord IX-2.4 AT Executive.

Репутация:   466  


Понял. Не совсем - в ногах стоит коробочка с предохранителями, а вот сзади к ней пристегнут ETACS на разъемах - похож на толстую шоколадку по формату (IMG:style_emoticons/default/smile.gif)
Go to the top of the page
¬
Вставить ник в форму быстрого ответа
+Quote Post
dinamix
сообщение 11.4.2012, 20:20
Сообщение #12


Начинающий Технический Маньяк
**

Группа:
Технический Маньяк
Сообщений: 28
Регистрация: 9.4.2012
Вне форума
Авто: Mitsubishi Lancer IX

Репутация:   0  


Цитата(Titus @ 11.4.2012, 17:05) *
Понял. Не совсем - в ногах стоит коробочка с предохранителями, а вот сзади к ней пристегнут ETACS на разъемах - похож на толстую шоколадку по формату (IMG:style_emoticons/default/smile.gif)

и как её оттудова достать? Я сегодня смотрел, ниче не понял, как вытаскивать
Go to the top of the page
¬
Вставить ник в форму быстрого ответа
+Quote Post
Titus
сообщение 11.4.2012, 20:42
Сообщение #13


Don Amadeus
*******

Группа:
Главные администраторы
Сообщений: 29955
Регистрация: 19.2.2009
Из: Russia, Sevastopol
Вне форума
Авто: Lancer IX-1.6 MT Turbo, Honda Accord IX-2.4 AT Executive.

Репутация:   466  


Ляг головой на водительский коврик с фонариком в зубах - поймешь немного (IMG:style_emoticons/default/smile.gif) Там одна единственная защелка сверху, а снизу типа качельки крепление, отключить от нее разъемы с проводами, защелку верхнюю на ощупь поджать и начать тащить верх в сторону двигателя (вперед), там разъем между етаксом и блоком предохранителей - как он выскочит - нижняя качелька сама свободно даст снять блок ETACS (IMG:style_emoticons/default/smile.gif)

Вот картинка неплохая, стрелка как раз указывает на защелку верхнюю (увидеть ее вряд-ли получится, только на ощупь, там тесно все) (IMG:style_emoticons/default/smile.gif)
Коричневая коробка и есть ETACS, видно еще два разъема, куда включаются штеккера с проводами. Белое - блок предохранителей.


Прикрепленное изображение
Go to the top of the page
¬
Вставить ник в форму быстрого ответа
+Quote Post
dinamix
сообщение 11.4.2012, 22:18
Сообщение #14


Начинающий Технический Маньяк
**

Группа:
Технический Маньяк
Сообщений: 28
Регистрация: 9.4.2012
Вне форума
Авто: Mitsubishi Lancer IX

Репутация:   0  


Цитата(Titus @ 11.4.2012, 20:42) *
Ляг головой на водительский коврик с фонариком в зубах - поймешь немного (IMG:style_emoticons/default/smile.gif) Там одна единственная защелка сверху, а снизу типа качельки крепление, отключить от нее разъемы с проводами, защелку верхнюю на ощупь поджать и начать тащить верх в сторону двигателя (вперед), там разъем между етаксом и блоком предохранителей - как он выскочит - нижняя качелька сама свободно даст снять блок ETACS (IMG:style_emoticons/default/smile.gif)

Вот картинка неплохая, стрелка как раз указывает на защелку верхнюю (увидеть ее вряд-ли получится, только на ощупь, там тесно все) (IMG:style_emoticons/default/smile.gif)
Коричневая коробка и есть ETACS, видно еще два разъема, куда включаются штеккера с проводами. Белое - блок предохранителей.


Прикрепленное изображение

угу, теперь более менее ясно, СПАСИБО!! (IMG:style_emoticons/default/biggrin.gif) (IMG:style_emoticons/default/wink.gif) Теперь надо понять в нем неисправность или нет
Go to the top of the page
¬
Вставить ник в форму быстрого ответа
+Quote Post
dimker12
сообщение 19.1.2014, 14:19
Сообщение #15


Новичок
*

Группа:
Новичок
Сообщений: 1
Регистрация: 17.6.2013
Вне форума
Авто: Lancer 9 1,6

Репутация:   0  


Пару дней назад столкнулся с такой же проблемой: пропал дальний свет, стеклоомыватели и дворники работали только во втором положении. Перерыл кучу форумов и нашел решение.
http://www.forum.lancer-club.ru/index.php?...68312&st=40 пост 59. БОЛЬШОЕ СПАСИБО Dinamix-88!!! Сейчас думаю как с наименьшими усилиями протянуть новый провод.

Сообщение отредактировал dimker12 - 19.1.2014, 14:20
Go to the top of the page
¬
Вставить ник в форму быстрого ответа
+Quote Post
@NDREI
сообщение 21.3.2014, 13:36
Сообщение #16


Начинающий Технический Маньяк
**

Группа:
Технический Маньяк
Сообщений: 21
Регистрация: 23.4.2013
Из: Кунгур
Вне форума
Авто: Mitsubishi Lanctr 9 Rolf 1.6

Репутация:   0  


А у меня проблема такого плана: не горят только передние габариты, а точнее левый совсем не работает, а правый когда захочет, по настроению. преды все целы, а куда дальше лезть-не знаю. чем кто поможет, посоветует?
Go to the top of the page
¬
Вставить ник в форму быстрого ответа
+Quote Post
Titus
сообщение 21.3.2014, 17:37
Сообщение #17


Don Amadeus
*******

Группа:
Главные администраторы
Сообщений: 29955
Регистрация: 19.2.2009
Из: Russia, Sevastopol
Вне форума
Авто: Lancer IX-1.6 MT Turbo, Honda Accord IX-2.4 AT Executive.

Репутация:   466  


Смотрите что с проводкой-разъемами по пути к габаритам (IMG:style_emoticons/default/wink.gif)
Go to the top of the page
¬
Вставить ник в форму быстрого ответа
+Quote Post
angelfear
сообщение 1.4.2014, 23:43
Сообщение #18


Супер Технический Маньяк
*****

Группа:
Почетные ветераны
Сообщений: 568
Регистрация: 12.11.2012
Из: город-геморрой москва сао
Вне форума


Репутация:   82  


Цитата(@NDREI @ 21.3.2014, 14:36) *
чем кто поможет, посоветует?



питание на фишке габаритов померить, а и лампочки проверить на работоспособность. хотя наверно фигню сказал. время позднее.
Go to the top of the page
¬
Вставить ник в форму быстрого ответа
+Quote Post
RN6LEA
сообщение 6.7.2015, 21:27
Сообщение #19


Супер Технический Маньяк
*****

Группа:
Технический Маньяк
Сообщений: 807
Регистрация: 22.1.2014
Из: Ростов-на-Дону
Вне форума


Репутация:   49  


Столкнулся с похожими проблемками, но там ситуация такая: Свет никак не реагирует на переключалки и дворники тоже. Включается все только при включенном зажигании.
Пока не победил... Но думаю что там что то с сигналами шины управления или контакты.Под капотом все норм, коробочки перекидывал с другой машины.
Go to the top of the page
¬
Вставить ник в форму быстрого ответа
+Quote Post
RN6LEA
сообщение 10.7.2015, 13:27
Сообщение #20


Супер Технический Маньяк
*****

Группа:
Технический Маньяк
Сообщений: 807
Регистрация: 22.1.2014
Из: Ростов-на-Дону
Вне форума


Репутация:   49  


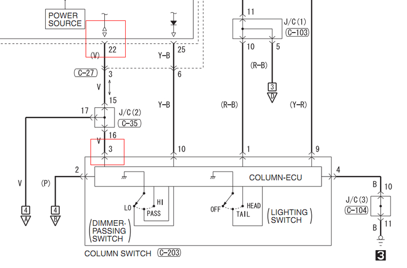
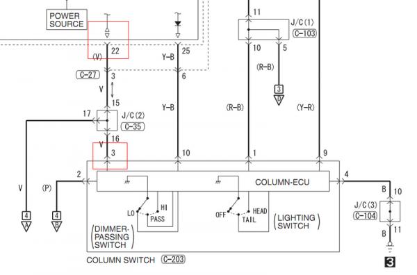
Проблема решена... Что было: «не работали фары ближнего-дальнего, не включались габариты, омыватель и стеклоподъемники». Частично работало это дело при включении зажигания. Порывшись в схемах и мануалах выяснил,что за все эти функции отвечает блок под названием Front ECU. Та самая зелёная коробочка в подкапотном блоке предохранителей.

Основные функции которыми он управляет:
· ближний свет фар;
· дальний свет фар;
· габариты;
· омыватель фар и мотор омывателя;
· мотор дворников...

В нашем авто есть система ETACS, которая используется для централизованного управления различными временными и сигнальными функциями, помогающими улучшить управляемость автомобиля и комфорт водителя. ETACS обладает входной проверочной функцией, которая позволяет проверить исправность цепи от входного выключателя к микропроцессору. Связь между электронными системами автомобиля под управлением блока ETACS осуществляется при помощи однопроводной мультиплексной проводки SWS .
SWS-это проводка, которая позволяет передавать несколько сигналов по единственному проводу, что позволяет существенно снизить вес и упростить электропроводку, которая на современных автомобилях становится всё более сложной вследствие увеличения числа установленных на автомобиле электрических устройств.

Исходя из этого было принято решение начать именно с сигналов SWS. Сигнал шины в нашем случае идёт по фиолетовому проводу, который находится на блоке ЕТАКС в разъёме С227 контакт 59, на подрулевом переключателе контакт 3 и фронт эку контакт 22. Все эти три точки должны обычным тестером "звониться" накоротко между собой.
В моём случае не шёл сигнал в подкапотку.Перетёрся жгут под левым крылом в районе захода под капот. После восстановления соединения все заработало.
Ну и пара картинок.Немножко сумбурно получилось, но суть думаю понятна.
Эскизы прикрепленных изображений
Прикрепленное изображение
Прикрепленное изображение

Прикрепленное изображение
 

Прикрепленные изображения
Прикрепленное изображение Прикрепленное изображение
 
Go to the top of the page
¬
Вставить ник в форму быстрого ответа
+Quote Post

Fast ReplyReply to this topicStart new topic
2 чел. читают эту тему (гостей: 2, скрытых пользователей: 0)
Пользователей: 0

 



Быстрый заказ, позвонить +7-978-708-85-73
Дроссель Amadeus Productions. Быстрый заказ по телефону.
(Viber, WhatsApp, Telegram)
Amadeus Productions Дроссельный узел на Lancer IX 1.6 (4G18), 2.0 (4G63) и другие моторы
Ремкомплект РХХ на Mitsubishi Lancer IX, 1.6 (4G18), MD619857, 1450A116
Облегченный маховик на 1.6 (4G18) и другие моторы
Облегченные шкивы на 1.6 (4G18) и другие моторы
One-touch или "Ленивые поворотники"