Быстрый заказ, позвонить +7-978-708-85-73
Дроссель Amadeus Productions. Быстрый заказ по телефону.
(Viber, WhatsApp, Telegram)
Amadeus Productions Дроссельный узел на Lancer IX 1.6 (4G18), 2.0 (4G63) и другие моторы
Ремкомплект РХХ на Mitsubishi Lancer IX, 1.6 (4G18), MD619857, 1450A116
Облегченный маховик на 1.6 (4G18) и другие моторы
Облегченные шкивы на 1.6 (4G18) и другие моторы
One-touch или "Ленивые поворотники"

51 страниц V  « < 31 32 33 34 35 > »   
Reply to this topicStart new topic
> Подсветка логотипа
Aksen
сообщение 22.10.2011, 15:18
Сообщение #641


Технический Маньяк
***

Группа:
Технический Маньяк
Сообщений: 133
Регистрация: 12.12.2010
Из: Москвы
Вне форума


Репутация:   5  


Цитата(abardak @ 22.10.2011, 8:50) *
Если я правильно понял, то и мне скоро отправите?

В понедельник я узнаю расходы на почту и сообщу вам для перевода.
Если получится отправить, чтобы вы оплатили посылку, то отправлю в понедельник-среду, по возможности свободного времени.
Go to the top of the page
¬
Вставить ник в форму быстрого ответа
+Quote Post
abardak
сообщение 23.10.2011, 17:17
Сообщение #642


Начинающий Технический Маньяк
**

Группа:
Технический Маньяк
Сообщений: 10
Регистрация: 11.7.2011
Вне форума


Репутация:   0  


Без проблем, посылайте наложенным платежом, оплачу расходы по пересылке. (уже месяц как 900 р переислил)
Go to the top of the page
¬
Вставить ник в форму быстрого ответа
+Quote Post
lmad
сообщение 24.10.2011, 17:43
Сообщение #643


Начинающий Технический Маньяк
**

Группа:
Технический Маньяк
Сообщений: 41
Регистрация: 13.12.2010
Из: Мск
Вне форума
Авто: Outlander

Репутация:   2  


Все получил.
Посмотрел как и куда ставить.
Для полного счастья только не хватает мне понимание какого цвета какой провод у меня около разъема в багажнике к задней варе...
Если подобной инфы не найду то как мне проще поступить?
Go to the top of the page
¬
Вставить ник в форму быстрого ответа
+Quote Post
Tochilis
сообщение 24.10.2011, 18:13
Сообщение #644


Супер Технический Маньяк
*****

Группа:
Технический Маньяк
Сообщений: 515
Регистрация: 14.3.2011
Из: Харьков
Вне форума
Авто: Lancer9 1.6mt

Репутация:   22  


Цитата(lmad @ 24.10.2011, 17:43) *
Все получил.
Посмотрел как и куда ставить.
Для полного счастья только не хватает мне понимание какого цвета какой провод у меня около разъема в багажнике к задней варе...
Если подобной инфы не найду то как мне проще поступить?

я делал так: один щуп вольтметра посадил на минус (например кузов авто), на второй щуп цеплял иголку, и ей по-очереди протыкал провода и измерял напряжение. без помощника будет трудновато, кто-то должен жать на педали и включать задний ход.
Go to the top of the page
¬
Вставить ник в форму быстрого ответа
+Quote Post
lmad
сообщение 25.10.2011, 10:02
Сообщение #645


Начинающий Технический Маньяк
**

Группа:
Технический Маньяк
Сообщений: 41
Регистрация: 13.12.2010
Из: Мск
Вне форума
Авто: Outlander

Репутация:   2  


Цитата(Tochilis @ 24.10.2011, 19:13) *
Цитата(lmad @ 24.10.2011, 17:43) *
Все получил.
Посмотрел как и куда ставить.
Для полного счастья только не хватает мне понимание какого цвета какой провод у меня около разъема в багажнике к задней варе...
Если подобной инфы не найду то как мне проще поступить?

я делал так: один щуп вольтметра посадил на минус (например кузов авто), на второй щуп цеплял иголку, и ей по-очереди протыкал провода и измерял напряжение. без помощника будет трудновато, кто-то должен жать на педали и включать задний ход.

ок.
видимо так и буду делать. Надо мне все таки купить вольт метр и научится им пользоваться...
Go to the top of the page
¬
Вставить ник в форму быстрого ответа
+Quote Post
Tochilis
сообщение 25.10.2011, 11:24
Сообщение #646


Супер Технический Маньяк
*****

Группа:
Технический Маньяк
Сообщений: 515
Регистрация: 14.3.2011
Из: Харьков
Вне форума
Авто: Lancer9 1.6mt

Репутация:   22  


Цитата(lmad @ 25.10.2011, 10:02) *
Цитата(Tochilis @ 24.10.2011, 19:13) *
Цитата(lmad @ 24.10.2011, 17:43) *
Все получил.
Посмотрел как и куда ставить.
Для полного счастья только не хватает мне понимание какого цвета какой провод у меня около разъема в багажнике к задней варе...
Если подобной инфы не найду то как мне проще поступить?

я делал так: один щуп вольтметра посадил на минус (например кузов авто), на второй щуп цеплял иголку, и ей по-очереди протыкал провода и измерял напряжение. без помощника будет трудновато, кто-то должен жать на педали и включать задний ход.

ок.
видимо так и буду делать. Надо мне все таки купить вольт метр и научится им пользоваться...

на крайний случай, подъедь к электрику и попроси проверить где у тебя жила тормоза, а где жила заднего хода, ну и подсветка номера +-. делов на 2 мин.
Go to the top of the page
¬
Вставить ник в форму быстрого ответа
+Quote Post
Asdwarf
сообщение 25.10.2011, 11:48
Сообщение #647


Левша
*******

Группа:
Почетные ветераны
Сообщений: 1801
Регистрация: 19.2.2009
Из: Санкт-Петербург, Центр
Вне форума
Авто: VW CC 1.8MT

Репутация:   24  


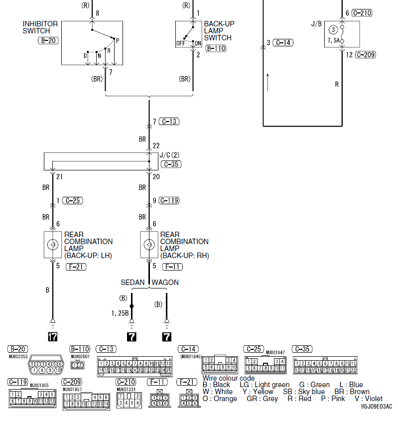
Есть же схема с цветами проводов (IMG:style_emoticons/default/huh.gif)
Go to the top of the page
¬
Вставить ник в форму быстрого ответа
+Quote Post
Tochilis
сообщение 25.10.2011, 12:09
Сообщение #648


Супер Технический Маньяк
*****

Группа:
Технический Маньяк
Сообщений: 515
Регистрация: 14.3.2011
Из: Харьков
Вне форума
Авто: Lancer9 1.6mt

Репутация:   22  


Цитата(Asdwarf @ 25.10.2011, 11:48) *
Есть же схема с цветами проводов (IMG:style_emoticons/default/huh.gif)

если бы была схема, вопросов бы не возникло
Go to the top of the page
¬
Вставить ник в форму быстрого ответа
+Quote Post
Asdwarf
сообщение 25.10.2011, 12:25
Сообщение #649


Левша
*******

Группа:
Почетные ветераны
Сообщений: 1801
Регистрация: 19.2.2009
Из: Санкт-Петербург, Центр
Вне форума
Авто: VW CC 1.8MT

Репутация:   24  


Коричневый вам нада?
Прикрепленное изображение

Go to the top of the page
¬
Вставить ник в форму быстрого ответа
+Quote Post
Tochilis
сообщение 25.10.2011, 13:52
Сообщение #650


Супер Технический Маньяк
*****

Группа:
Технический Маньяк
Сообщений: 515
Регистрация: 14.3.2011
Из: Харьков
Вне форума
Авто: Lancer9 1.6mt

Репутация:   22  


Схема для лансера?
Нужна схема на Out1
Go to the top of the page
¬
Вставить ник в форму быстрого ответа
+Quote Post
Asdwarf
сообщение 25.10.2011, 19:35
Сообщение #651


Левша
*******

Группа:
Почетные ветераны
Сообщений: 1801
Регистрация: 19.2.2009
Из: Санкт-Петербург, Центр
Вне форума
Авто: VW CC 1.8MT

Репутация:   24  


А. Пардоньте, посмотрю в закромах
Go to the top of the page
¬
Вставить ник в форму быстрого ответа
+Quote Post
lmad
сообщение 26.10.2011, 12:22
Сообщение #652


Начинающий Технический Маньяк
**

Группа:
Технический Маньяк
Сообщений: 41
Регистрация: 13.12.2010
Из: Мск
Вне форума
Авто: Outlander

Репутация:   2  


Купил мультиметр, все что нужно нашел. провода в 5-ую дверь провел. Остальное в выходные доделаю наверно.
А минус обязательно с габаритов брать, с кузова нельзя?
Go to the top of the page
¬
Вставить ник в форму быстрого ответа
+Quote Post
Tochilis
сообщение 26.10.2011, 12:35
Сообщение #653


Супер Технический Маньяк
*****

Группа:
Технический Маньяк
Сообщений: 515
Регистрация: 14.3.2011
Из: Харьков
Вне форума
Авто: Lancer9 1.6mt

Репутация:   22  


Цитата(lmad @ 26.10.2011, 12:22) *
Купил мультиметр, все что нужно нашел. провода в 5-ую дверь провел. Остальное в выходные доделаю наверно.
А минус обязательно с габаритов брать, с кузова нельзя?

с кузова нельзя
Go to the top of the page
¬
Вставить ник в форму быстрого ответа
+Quote Post
Andy718
сообщение 26.10.2011, 13:59
Сообщение #654


Начинающий Технический Маньяк
**

Группа:
Технический Маньяк
Сообщений: 77
Регистрация: 3.3.2009
Из: Москва, Черёмушки
Вне форума


Репутация:   1  


Цитата(lmad @ 26.10.2011, 13:22) *
Купил мультиметр, все что нужно нашел. провода в 5-ую дверь провел. Остальное в выходные доделаю наверно.
А минус обязательно с габаритов брать, с кузова нельзя?

Уже писали, возьмешь в кузова, гореть будет постоянно!
Go to the top of the page
¬
Вставить ник в форму быстрого ответа
+Quote Post
lmad
сообщение 26.10.2011, 15:06
Сообщение #655


Начинающий Технический Маньяк
**

Группа:
Технический Маньяк
Сообщений: 41
Регистрация: 13.12.2010
Из: Мск
Вне форума
Авто: Outlander

Репутация:   2  


Цитата(Andy718 @ 26.10.2011, 14:59) *
Цитата(lmad @ 26.10.2011, 13:22) *
Купил мультиметр, все что нужно нашел. провода в 5-ую дверь провел. Остальное в выходные доделаю наверно.
А минус обязательно с габаритов брать, с кузова нельзя?

Уже писали, возьмешь в кузова, гореть будет постоянно!


Не понимаю почему...
включил габариты, подается "+"... а "-" он всегда есть... объясните дураку:)
Go to the top of the page
¬
Вставить ник в форму быстрого ответа
+Quote Post
Tochilis
сообщение 26.10.2011, 16:22
Сообщение #656


Супер Технический Маньяк
*****

Группа:
Технический Маньяк
Сообщений: 515
Регистрация: 14.3.2011
Из: Харьков
Вне форума
Авто: Lancer9 1.6mt

Репутация:   22  


Цитата(lmad @ 26.10.2011, 15:06) *
Не понимаю почему...
включил габариты, подается "+"... а "-" он всегда есть... объясните дураку:)

минус на подсветке номера появляется ТОЛЬКО при включении габаритов. можешь конечно подключить корпус, но тогда тормоз будет гореть при выключенных габаритах, думаю ничего в этом смертельного нет.
Go to the top of the page
¬
Вставить ник в форму быстрого ответа
+Quote Post
lmad
сообщение 26.10.2011, 16:30
Сообщение #657


Начинающий Технический Маньяк
**

Группа:
Технический Маньяк
Сообщений: 41
Регистрация: 13.12.2010
Из: Мск
Вне форума
Авто: Outlander

Репутация:   2  


Цитата(Tochilis @ 26.10.2011, 17:22) *
Цитата(lmad @ 26.10.2011, 15:06) *
Не понимаю почему...
включил габариты, подается "+"... а "-" он всегда есть... объясните дураку:)

минус на подсветке номера появляется ТОЛЬКО при включении габаритов. можешь конечно подключить корпус, но тогда тормоз будет гореть при выключенных габаритах, думаю ничего в этом смертельного нет.



То есть, если я подключусь "-" на корпус то у меня тормоз и задний ход будут загораться на логотипе и без включенных габаритов и с ними. А если на "-" габаритов то только при их включении подсветка будет работать.

Мне как раз оно и надо...
Цитата
Уже писали, возьмешь в кузова, гореть будет постоянно!

А я удивляюсь как это ПОСТОЯННО (IMG:style_emoticons/default/smile.gif) ))) Машина выключена все ушли а логотип горит... скучает такой:)))))))
Go to the top of the page
¬
Вставить ник в форму быстрого ответа
+Quote Post
Aksen
сообщение 26.10.2011, 16:35
Сообщение #658


Технический Маньяк
***

Группа:
Технический Маньяк
Сообщений: 133
Регистрация: 12.12.2010
Из: Москвы
Вне форума


Репутация:   5  


Странно, регионщики не пишут мне ни чего.
Вам высылать или нет?
Go to the top of the page
¬
Вставить ник в форму быстрого ответа
+Quote Post
Tochilis
сообщение 26.10.2011, 16:41
Сообщение #659


Супер Технический Маньяк
*****

Группа:
Технический Маньяк
Сообщений: 515
Регистрация: 14.3.2011
Из: Харьков
Вне форума
Авто: Lancer9 1.6mt

Репутация:   22  


Цитата(lmad @ 26.10.2011, 16:30) *
То есть, если я подключусь "-" на корпус то у меня тормоз и задний ход будут загораться на логотипе и без включенных габаритов и с ними. А если на "-" габаритов то только при их включении подсветка будет работать.

Мне как раз оно и надо...

твой случай подробно описан тут

зачем тебе днем горящий логотип, если его всё равно видно не будет? тем более что взять минус с подсветки номера не такая уж и проблема
Go to the top of the page
¬
Вставить ник в форму быстрого ответа
+Quote Post
lmad
сообщение 26.10.2011, 16:54
Сообщение #660


Начинающий Технический Маньяк
**

Группа:
Технический Маньяк
Сообщений: 41
Регистрация: 13.12.2010
Из: Мск
Вне форума
Авто: Outlander

Репутация:   2  


Цитата(Tochilis @ 26.10.2011, 17:41) *
Цитата(lmad @ 26.10.2011, 16:30) *
То есть, если я подключусь "-" на корпус то у меня тормоз и задний ход будут загораться на логотипе и без включенных габаритов и с ними. А если на "-" габаритов то только при их включении подсветка будет работать.

Мне как раз оно и надо...

твой случай подробно описан тут

зачем тебе днем горящий логотип, если его всё равно видно не будет? тем более что взять минус с подсветки номера не такая уж и проблема


Так у нас все равно днем со светом ездить положено...
У меня номер и соответственно подсветка, не как на лансе расположен, посмотри в профиле фото, номер на бампере...
А на фару проводки я уже протянул, еще раз ковыряться не охота:)
Go to the top of the page
¬
Вставить ник в форму быстрого ответа
+Quote Post

51 страниц V  « < 31 32 33 34 35 > » 
Fast ReplyReply to this topicStart new topic
6 чел. читают эту тему (гостей: 6, скрытых пользователей: 0)
Пользователей: 0

 



Быстрый заказ, позвонить +7-978-708-85-73
Дроссель Amadeus Productions. Быстрый заказ по телефону.
(Viber, WhatsApp, Telegram)
Amadeus Productions Дроссельный узел на Lancer IX 1.6 (4G18), 2.0 (4G63) и другие моторы
Ремкомплект РХХ на Mitsubishi Lancer IX, 1.6 (4G18), MD619857, 1450A116
Облегченный маховик на 1.6 (4G18) и другие моторы
Облегченные шкивы на 1.6 (4G18) и другие моторы
One-touch или "Ленивые поворотники"