|
+7-978-708-85-73 Дроссель Amadeus Productions. Быстрый заказ по телефону. (Viber, WhatsApp, Telegram) |
1.6.2009, 13:00
Сообщение
#1
|
|
|
Супер Технический Маньяк ![]() ![]() ![]() ![]() ![]() Группа: Технический Маньяк Сообщений: 818 Регистрация: 29.5.2009 Из: Нижний Новгород Вне форума Репутация: 57
|
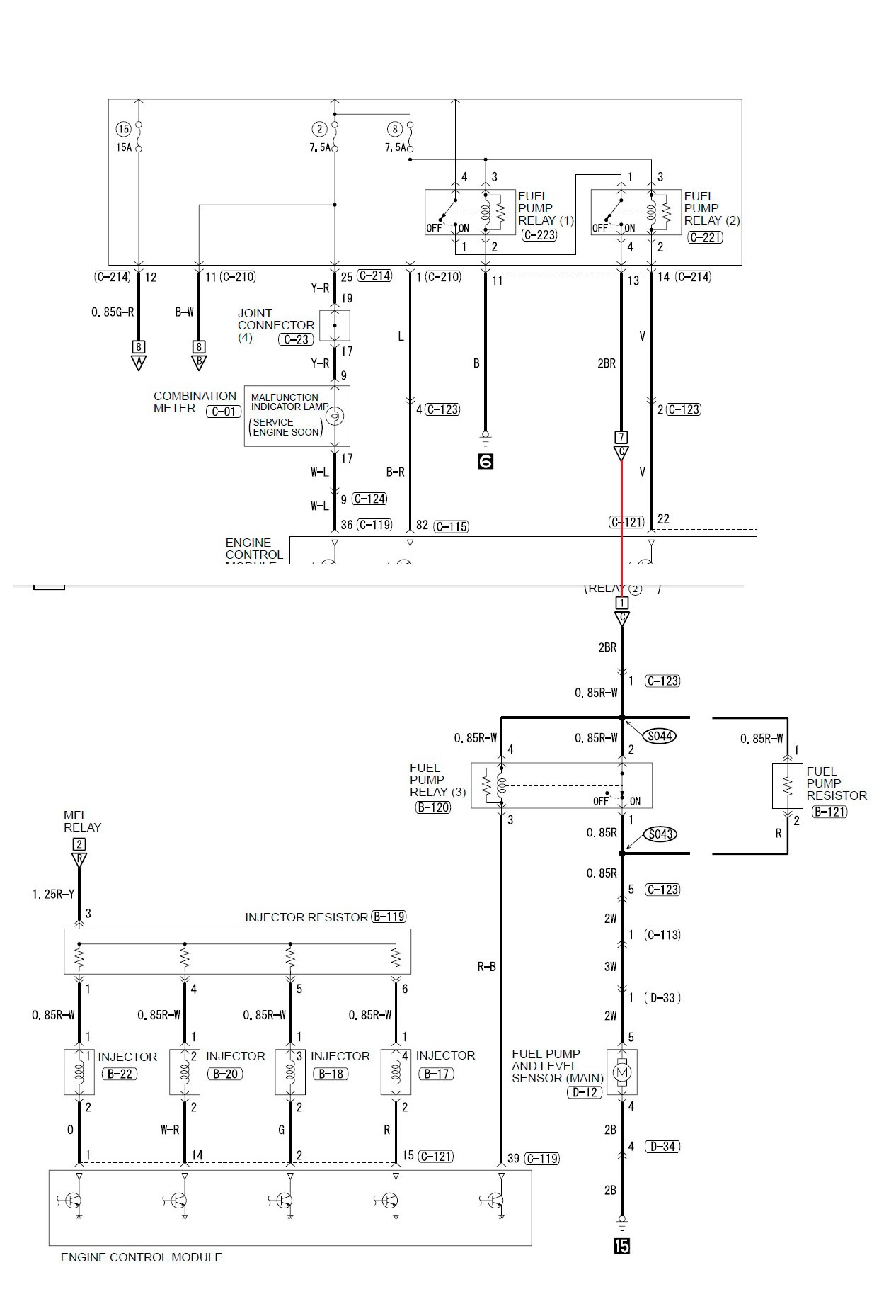
Предлагаю развить тему логгирования, чтения ошибок перепрошивки ECU.
Mprog и EPT - прошивальщик и прошивка для кабеля. (что бы виделся прогами как родной) Unlocker - для разблокирования ECU - если по каким то причинам не получается считать прошивку. Проги для пользования думаю найдете сами в инете. EcuFlash 1.28 и 1,29 (версии выше для этого шнурка уже не подходят- нужен OpenEcu2.0) в ней же драйвера для шнура EvoScan 2.5 EcuEdit 3.5 Mitsulogger как прошивать http://forums.evolutionm.net/ecuflash-179/ (на английском) не забудьте записать код иммобилайзера перед прошивкой Для каждой прошивки ROM или BIN нужен файл XML в котором написано расположение всех нужных таблиц. Иначе допустим в EcuFlash вместо таблиц будет открываться абракадабра. Кто ни то снимал логи или прошивал ?? У кого есть опыт в этих делах поделитесь плиз. |
|
|
Artem NN Диагностика двигателя, логгирование и прошивка ECU. 1.6.2009, 13:00
Artem NN EcuEdit V3 - мощная утилита по прошивке, редактиро... 2.6.2009, 9:50
Artem NN Вот еще нашел с буржуйского сайта- как программно ... 2.6.2009, 11:37
TCL ... впаивают 10кОм резюк на 25Вт.
Ни разу не изящн... 2.6.2009, 11:55
Artem NN Постараюсь рассказать вам что знаю по EcuFlash.
И... 10.6.2009, 13:11
Artem NN Едем дальше
поробуем посмотреть файл 2004 Cedia.... 10.6.2009, 13:18
Artem NN Открываем карты зажигания
High и Low
рис. 003
в... 10.6.2009, 13:32
Artem NN Далее рис. 004
смотрим что прописано в значении И... 10.6.2009, 13:55
Artem NN многие таблицы не активны - не подсвеченные надпис... 10.6.2009, 13:58
KOCMOC Итак, получил я архив от Artem NN с тем, что он вы... 29.6.2009, 20:26
Artem NN AlexGreat -подскажи еще по деталям к кабелю.
на дн... 14.7.2009, 8:30
AlexGreat Конденсаторы можно в принципе ставить и не электро... 14.7.2009, 17:25
SSh Цитатазаимел недавно шнурочек
А шнурочек-то какой... 25.7.2009, 16:48
SSh ЦитатаНереально частоту на СОМ-порте изменить.
А ... 28.7.2009, 15:28
Engineer Логгировал СОМ-порт. Все успешно, но вот при перек... 28.7.2009, 15:38
SSh Глянь здесь, может что-нибудь накопаешь.
http://w... 28.7.2009, 15:49
Artem NN Тут заказал детали для пайки кабеля OpenPort 1.3 в... 1.10.2009, 8:30
Artem NN Если кто помнит про отключение второй лямбды я пис... 1.10.2009, 9:30
dmitrij_b Ссылка на магаз. http://autopribor.ru/index.php?pr... 1.10.2009, 9:41
SSh Я не помню, выкладывал ли я разводку OpenPort.
(Н... 1.10.2009, 9:50
SSh Цитатая смотрю у тебя вместо BAV99 (3х контактного... 1.10.2009, 14:54
Engineer Артем, проверил сегодня лично бумагу Lomond глянец... 2.10.2009, 21:22
Titus А вот еще по поводу печаток появилось пару роликов... 2.10.2009, 21:24
SSh Чтоб не рисковать принтером можно до того как испо... 2.10.2009, 21:58
Engineer Скажу немного по технической части принтеров, если... 3.10.2009, 20:45
SSh ЦитатаА вот еще по поводу печаток появилось пару р... 3.10.2009, 21:19
SSh ЦитатаПрошу привести модель принтера НР
У меня ант... 3.10.2009, 22:41
dmitrij_b Обновление:
EvoScan таки завелся. Оказывается я ем... 14.10.2009, 17:00
dmitrij_b Ну мне не захотелось уже установленную в разъеме п... 15.10.2009, 13:14
AlexGreat Теперь ясно Кстати все *SOPы совершенно нормально... 15.10.2009, 13:41
AlexGreat Я перестал этого бояться, когда увидел как мой зна... 15.10.2009, 15:30
SSh ЦитатаА я мелкие детальки всегда перегреть боюсь..... 15.10.2009, 15:45
Engineer Цитата(SSh @ 15.10.2009, 16:45) И как же ... 16.10.2009, 7:50
SSh ЦитатаПопробовал. Без BOOT не читает.
Спасибо, зн... 16.10.2009, 8:28
Engineer Цитата(SSh @ 16.10.2009, 9:28) Нет, не ан... 16.10.2009, 9:13
SSh Кстати, если хочешь подписать детальки, а потом пе... 16.10.2009, 15:43
AlexGreat В Eagle есть волшебная кнопочка DRC, которая при в... 20.10.2009, 18:36
AlexGreat Так это и есть Eagle Layout... Все что нужно, в... 20.10.2009, 18:47
AlexGreat Там поиск есть.. Да и если честно, количество от... 21.10.2009, 8:54
SSh Цитатасможешь проверить разводку
Проверил... Разв... 22.10.2009, 8:30
ayashiko вот всё что я смог найти для ланцера 5.11.2009, 16:58
ayashiko Вот я кое что раскопал буду продолжать поиски но ... 7.11.2009, 10:52
Artem NN ayashiko - я смотрю у тебя почти получилось.
LOAD ... 9.11.2009, 9:47
Artem NN Да и еще если ты хочешь отключить обе лямбды.
То ... 9.11.2009, 10:01
Artem NN Ошибку нагревателя лямбды вроде пока еще незнают к... 10.11.2009, 10:38
dmitrij_b Заказал платы по той топологии, что выкладывал ран... 1.12.2009, 16:59
Artem NN Вчера с dmitrij_b вроде разобрались
с фишкой кот... 8.12.2009, 9:53
Artem NN Ну вот теперь и я стал счастливым обладателем кабе... 29.12.2009, 10:12
san4es привет всем!
может интересно кому)
так сказать... 8.2.2010, 3:42
dmitrij_b У Лансов 9 1.6МТ четыре известных мне версии проши... 26.2.2010, 12:51
dmitrij_b Нифига. Внутри они тоже разные. Вот две прошивки о... 26.2.2010, 22:53
cartmanes
Что это за карта? Их три штуки, отличие буквальн... 15.3.2010, 15:06
dmitrij_b Похоже Volume Efficiency Map
КодEcuFlash.xml... 15.3.2010, 15:34
Artem NN Внесу свои 5 копеек в общее дело.
Найдено карта у... 16.3.2010, 12:25
cartmanes Спасибо, точно VE. Сравнивал с "цедия", ... 16.3.2010, 16:44
Artem NN Книги по ассемблеру для начинающих.
+ файл SH705... 19.3.2010, 10:55
Artem NN Выкладываю свои наработки. (XML для EcuEdit)
Сразу... 19.3.2010, 16:16
cartmanes В 1.6 нет датчика maf, только map. Это значит, что... 21.3.2010, 15:22
Artem NN Все правильно у нас MAP датчик и MAF нету.
Значит... 22.3.2010, 10:23
Artem NN Найдена карта 2D (по описанию с EVO) - но возмо... 22.3.2010, 11:00
Artem NN Цитата(Grundic @ 20.3.2010, 2:15)
Не могу понять ... 23.3.2010, 11:03
Artem NN Есть еще вариант (предположение).
Я пока в нем н... 23.3.2010, 12:08
Artem NN При дизассемблировании
обращайте внимание на функ... 26.3.2010, 10:58
cartmanes В словаре авто сокращений написано: manifold air ... 31.3.2010, 20:20
Titus cartmanes, вот может быть. Я просто очень точно зн... 31.3.2010, 23:47
cartmanes Нашел в сети мнение, что датчик MAT используется в... 1.4.2010, 22:42
gktuning Разница в этих обозначениях существует только на т... 2.4.2010, 0:38
Artem NN dmitrij_b - пятая и шестая строчки
это адреса в п... 2.4.2010, 15:27
dmitrij_b ROM он автоматом определяет. RAM в sh7052.idc уста... 2.4.2010, 16:12
Artem NN Вот что у меня показывает во Shift+F7
Какой то с... 5.4.2010, 8:57
dmitrij_b Цитата(Artem NN @ 5.4.2010, 11:57) Вот чт... 5.4.2010, 19:07
gktuning Немного документации по SH7052 и его ассемблеру. Б... 6.4.2010, 1:25
Artem NN Порядок действий по заведению прошивки с IDA. (ht... 6.4.2010, 8:58
dmitrij_b Можно проще. Подгрузить бинарник, выбрать тип проц... 6.4.2010, 10:36
Artem NN В выходные покатался с ноутбуком (прошел ТО с ксен... 21.4.2010, 11:42
Artem NN Выкладываю мануал от Мерлина
http://www.4g63evolu... 21.4.2010, 14:03
SSh На сайте EvoScan - http://www.limitless.co.nz/ опи... 21.4.2010, 16:22
dmitrij_b Сводная табличка какие блоки имеют выход на какие ... 21.4.2010, 16:26
Artem NN Это я уже реализовал -
Mitsubishi AYC/ABS support ... 21.4.2010, 16:32
SSh Насчет SRS - Дмитрий прав!
Посмотрел по схемам... 21.4.2010, 16:36
Artem NN И так ковыряю свой лог (поездка в сад).
Делал в E... 6.5.2010, 10:09
Artem NN Удалось залогить обратный путь из сада.
30 мин. бе... 11.5.2010, 10:33
dmitrij_b Цитата(Artem NN @ 11.5.2010, 13:33) Темпе... 11.5.2010, 16:56
ayashiko вот смотри зажигание у тебя соасем плохое это раз ... 11.5.2010, 18:25
Artem NN Нашел статейку по настройке мотора.
Исходник здес... 13.5.2010, 12:40
Artem NN Собрал подборку карт Fuel High и Ignition High атм... 13.5.2010, 16:06
ayashiko вот фотки опен порт 2 1.6.2010, 12:00
ayashiko вот мои хмл для ECUFLASH на Х ланцер одну сам сдел... 6.6.2010, 14:31
Artem NN И так наконец то я прошил свой Лансер.
Вместо 932... 7.6.2010, 12:30
Artem NN Нашел тему
http://forums.evolutionm.net/ecuflash/... 7.6.2010, 13:33
Artem NN И так выкладываю очередную редакцию прошивки 93270... 7.6.2010, 15:45
Artem NN http://forum.amadeus-project.com/index.php?showtop... 10.6.2010, 8:23
Artem NN Нашел классный проект.
http://www.megamanual.com/... 10.6.2010, 10:07
Artem NN Да похоже без ШПЛ (ШКД) и EGT не настроишь карты.
... 10.6.2010, 16:04![]() ![]() ![]() |
|
+7-978-708-85-73 Дроссель Amadeus Productions. Быстрый заказ по телефону. (Viber, WhatsApp, Telegram) |
| Текстовая версия | © 2006-2026 Форум Технических Маньяков. |
|
|