Быстрый заказ, позвонить +7-978-708-85-73
Дроссель Amadeus Productions. Быстрый заказ по телефону.
(Viber, WhatsApp, Telegram)
Amadeus Productions Дроссельный узел на Lancer IX 1.6 (4G18), 2.0 (4G63) и другие моторы
Ремкомплект РХХ на Mitsubishi Lancer IX, 1.6 (4G18), MD619857, 1450A116
Облегченный маховик на 1.6 (4G18) и другие моторы
Облегченные шкивы на 1.6 (4G18) и другие моторы
One-touch или "Ленивые поворотники"

 
Reply to this topicStart new topic
> Нужна помощь в програмировании PIC для работы с круизом
aLife
сообщение 28.11.2013, 22:58
Сообщение #1


Начинающий Технический Маньяк
**

Группа:
Технический Маньяк
Сообщений: 32
Регистрация: 6.4.2012
Вне форума
Авто: subaru

Репутация:   0  


Доброго дня.
Помнится здесь на форуме раньше была тема по PIC, но что-то найти не могу. (IMG:style_emoticons/default/sad.gif)

Решил сделать устройство сопряжения кнопок на руле с модулем круиз контроля фирмы Rostra.
С разработкой схемы вроде проблем нет, а вот с написанием программы для PIC есть сложности.
прошу помочь с написанием программы.

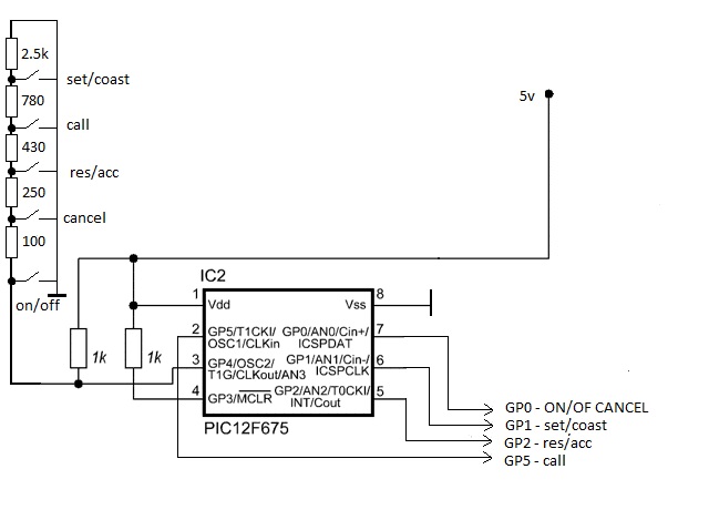
Прикрепленное изображение


Принципа работы нужно добиться такого.
программа отслеживает напряжение на аналоговом входе GP4, в зависимости от напряжения
определяется какая нажата кнопка и по определенному правилу на остальных выходах появляется
логическая единица.

Нажатие кнопки on/off приводит к появлению на выходе GP0 логической единицы.
выход работает как тригер, при отпускании конопки on/off на выходе GP0 единица.
При повторном нажатии на кнопку ON/OFF на выходе GP0 - ноль.

При нажатии кнопки cancel происходит проверка состояния выхода GP0, если GP0=1, то на выходе GP0 появляется ноль
и спустя 0,2 секунды возвращается логическая единица. Если GP0=0, то никаких действий не происходит.

При нажатии кнопки кнопки set/coast на выходе GP1 появляется логическая единица до тех пор, пока нажата кнопка
set/coast. при отпускании кнопки set/coast GP1=0.

Аналогично, при нажатии кнопки кнопки res/acc на выходе GP2 появляется логическая единица до тех пор, пока нажата кнопка
res/acc. при отпускании кнопки res/acc GP2=0.


Аналогично, при нажатии кнопки кнопки call на выходе GP5 появляется логическая единица до тех пор, пока нажата кнопка
call . при отпускании кнопки call GP5=0.

Огромное спасибо всем кто сможет помочь.
Go to the top of the page
¬
Вставить ник в форму быстрого ответа
+Quote Post
SSh
сообщение 29.11.2013, 4:35
Сообщение #2


Технический Маньяк-Гуру
*******

Группа:
Администратор
Сообщений: 7052
Регистрация: 3.6.2009
Из: Армения
На форуме
Авто: ASX 2.0

Репутация:   265  


http://forum.amadeus-project.com/index.php?showtopic=761
http://forum.amadeus-project.com/index.php?showtopic=1278
Go to the top of the page
¬
Вставить ник в форму быстрого ответа
+Quote Post

Fast ReplyReply to this topicStart new topic
2 чел. читают эту тему (гостей: 2, скрытых пользователей: 0)
Пользователей: 0

 



Быстрый заказ, позвонить +7-978-708-85-73
Дроссель Amadeus Productions. Быстрый заказ по телефону.
(Viber, WhatsApp, Telegram)
Amadeus Productions Дроссельный узел на Lancer IX 1.6 (4G18), 2.0 (4G63) и другие моторы
Ремкомплект РХХ на Mitsubishi Lancer IX, 1.6 (4G18), MD619857, 1450A116
Облегченный маховик на 1.6 (4G18) и другие моторы
Облегченные шкивы на 1.6 (4G18) и другие моторы
One-touch или "Ленивые поворотники"