Быстрый заказ, позвонить +7-978-708-85-73
Дроссель Amadeus Productions. Быстрый заказ по телефону.
(Viber, WhatsApp, Telegram)
Amadeus Productions Дроссельный узел на Lancer IX 1.6 (4G18), 2.0 (4G63) и другие моторы
Ремкомплект РХХ на Mitsubishi Lancer IX, 1.6 (4G18), MD619857, 1450A116
Облегченный маховик на 1.6 (4G18) и другие моторы
Облегченные шкивы на 1.6 (4G18) и другие моторы
One-touch или "Ленивые поворотники"

99 страниц V  « < 67 68 69 70 71 > »   
Reply to this topicStart new topic
> Обманки для второго лямбда-зонда, Три варианта
Alexx-z
сообщение 11.10.2012, 22:13
Сообщение #1361


Технический Маньяк-Гуру
*******

Группа:
Технический Маньяк
Сообщений: 1272
Регистрация: 4.4.2012
Из: Карелия, Сортавала
Вне форума
Авто: Lancer 9. 1.6 MT

Репутация:   43  


Кинул в личку.
Хотя, я не жадный. Пусть все смотрят))))
http://www.forum.lancer-club.ru/index.php?showtopic=182753
Go to the top of the page
¬
Вставить ник в форму быстрого ответа
+Quote Post
Titus
сообщение 11.10.2012, 22:51
Сообщение #1362


Don Amadeus
*******

Группа:
Главные администраторы
Сообщений: 29962
Регистрация: 19.2.2009
Из: Russia, Sevastopol
Вне форума
Авто: Lancer IX-1.6 MT Turbo, Honda Accord IX-2.4 AT Executive.

Репутация:   466  


Сенк, я там отписалсо (IMG:style_emoticons/default/smile.gif)
Go to the top of the page
¬
Вставить ник в форму быстрого ответа
+Quote Post
Серый82
сообщение 17.10.2012, 22:21
Сообщение #1363


Супер Технический Маньяк
*****

Группа:
Технический Маньяк
Сообщений: 897
Регистрация: 11.5.2010
Из: Воронеж
Вне форума
Авто: Outlander 2,4 Mivec AT

Репутация:   36  


Всем, здравствуйте! (IMG:style_emoticons/default/hi.gif)

Сегодня, и я провёл операцию по удалению аппендицита под названием катализатор. (IMG:style_emoticons/default/yahoo.gif)

Очень доволен, машинка заметно ожила! Звук немного изменился, но это мелочи.

А отписаться я решил вот по какому поводу:

Всвязи с необходимостью обмана вторых лямд (РЕЧЬ ИДЁТ ПРО АУТ1), были изготовлены две проставки по чертежу из второго поста данной темы (поскольку резать провода, для установки электронной обманки желания нет, а до програмного отключения ещё недорос). Но проставки неподошли! И вот почему:

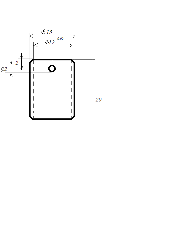
Обманка
Прикрепленное изображение


Эскиз О2 сенсора Аутлендер1
Прикрепленное изображение


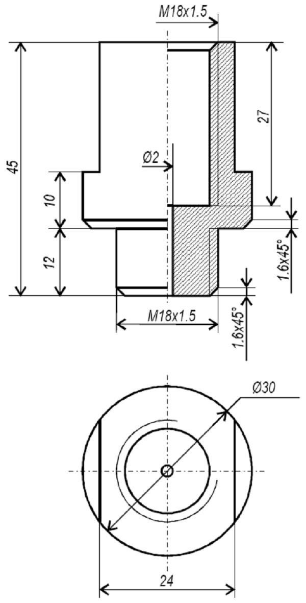
Как видно из эскиза и чертежа, лямда не имеет возможности до конца вкрутиться в обманку (Видимо на Ауте и Лансе лямды всё же различаются). Можно было бы изготовить обманку длиньше, но при этом лямда, та которая слева на приёмной трубе, будет находиться в опасной близости от передней подушки двигателя (около 5мм). Всвязи с чем и родилась следующая идея:

Прикрепленное изображение


Сразу оговорюсь, вариант непровереный, размеры, особенно посадочные, неточные и требуют проверки на практике - пока только мысли!

Суть такова: втулка (см. эскиз выше), изготовленная из мягкого материала (бронза, медь, латунь и т.п.), напресовывается с небольшим натягом на "нос" лямды, при этом необходимо совместить единственное отверстие на втулке с одним из множества отверстий на лямде, и направить это отверстие в направлении глушителя (спрятать от прямого потока выхлопных газов), а затем лямда вкручивается на своё законное место.

По идее всё должно работать, и что немаловажно, визуально такую обманку обнаружить будет невозможно!

(IMG:style_emoticons/default/drinks.gif)
Go to the top of the page
¬
Вставить ник в форму быстрого ответа
+Quote Post
Palex
сообщение 18.10.2012, 18:15
Сообщение #1364


Супер Технический Маньяк
*****

Группа:
Технический Маньяк
Сообщений: 791
Регистрация: 2.6.2010
Из: Украина, Киев
Вне форума
Авто: Ford Kuga II

Репутация:   17  


Цитата(Серый82 @ 17.10.2012, 22:21) *
Суть такова: втулка (см. эскиз выше), изготовленная из мягкого материала (бронза, медь, латунь и т.п.), напресовывается с небольшим натягом на "нос" лямды, при этом необходимо совместить единственное отверстие на втулке с одним из множества отверстий на лямде, и направить это отверстие в направлении глушителя (спрятать от прямого потока выхлопных газов), а затем лямда вкручивается на своё законное место.

По идее всё должно работать, и что немаловажно, визуально такую обманку обнаружить будет невозможно!

(IMG:style_emoticons/default/drinks.gif)


Скорее всего, из-за разных коэфициентов удельного расширения металов, после нескольких циклов втулка растянется и слетит. (IMG:style_emoticons/default/smile.gif)
Go to the top of the page
¬
Вставить ник в форму быстрого ответа
+Quote Post
abysse
сообщение 17.11.2012, 11:10
Сообщение #1365


Начинающий Технический Маньяк
**

Группа:
Технический Маньяк
Сообщений: 3
Регистрация: 10.11.2012
Из: Великая Тартария
Вне форума
Авто: OUTLANDER I (LS) 2,4L 4WD

Репутация:   0  


Всем форумчанам доброго дня, вечера, утра, ночи (Земля большая не угадаешь чего желать). (IMG:style_emoticons/default/biggrin.gif)
Решил написать микро-отчет о использовании "резисторно-конденсаторной" обманке (он же ВЧ фильтр первого порядка).
Использовал: резистор 470 кОм (0,25 Вт) + керамику на 1 мкФ
Результат: работает ( Первые две недели чуть не каждый день подключал или BARS III или ELM 327 c Palmer(ом), ждал какого небудь косяка. Не дождался, плюнул и забыл. Надоело графики и таблицы коректировки топлива разбирать. Уже больше месяца просто наслождаюсь ездой без "китайца - джеки чана". Хотя и с ним два года прожил дружно, не обижал он меня ничем кроме своего присутствия на приборке (Р 0431).
После установки фильтра пробег более 1200 км.

P.S. Обманка стоит только на втором кислородном датчике (он же ЛЯМБДА_ЗОНД) второго катализатора (ну это и из ошибки выше видно) второй банк работает в оригинале. Общий пробег более 135000 км.
А! Забыл. В качестве виманы используется OUTLANDER I (2,4 160HP 4WD)

Всем добра и новых творческих успехов.
Go to the top of the page
¬
Вставить ник в форму быстрого ответа
+Quote Post
Titus
сообщение 17.11.2012, 16:02
Сообщение #1366


Don Amadeus
*******

Группа:
Главные администраторы
Сообщений: 29962
Регистрация: 19.2.2009
Из: Russia, Sevastopol
Вне форума
Авто: Lancer IX-1.6 MT Turbo, Honda Accord IX-2.4 AT Executive.

Репутация:   466  


Привет и велкам на форум!
Спасибо за отчет и знание тезнической базы (я про ВЧ фильтр первого порядка) (IMG:style_emoticons/default/wink.gif)
Вопрос - у Вас коробка механика или автомат?
Go to the top of the page
¬
Вставить ник в форму быстрого ответа
+Quote Post
abysse
сообщение 17.11.2012, 19:14
Сообщение #1367


Начинающий Технический Маньяк
**

Группа:
Технический Маньяк
Сообщений: 3
Регистрация: 10.11.2012
Из: Великая Тартария
Вне форума
Авто: OUTLANDER I (LS) 2,4L 4WD

Репутация:   0  


Цитата(Titus @ 17.11.2012, 17:02) *
Вопрос - у Вас коробка механика или автомат?

Автомат.
Не пинается, не тупит, хорошо тянет по грязи без перехода в мануал (дорога от Черустей до реки Бужа во Владимирских лесах без единого букса. Сам радовался как ребёнок. Резина GO-12)
Ходовую друзья тресут почитай каждый месяц, для моего спокойствия (в механнике чайник).
Go to the top of the page
¬
Вставить ник в форму быстрого ответа
+Quote Post
Titus
сообщение 17.11.2012, 19:33
Сообщение #1368


Don Amadeus
*******

Группа:
Главные администраторы
Сообщений: 29962
Регистрация: 19.2.2009
Из: Russia, Sevastopol
Вне форума
Авто: Lancer IX-1.6 MT Turbo, Honda Accord IX-2.4 AT Executive.

Репутация:   466  


Отличный аппарат (IMG:style_emoticons/default/smile.gif)
Я к чему спрашивал, вот эту тему видели? (IMG:style_emoticons/default/smile.gif)
http://forum.amadeus-project.com/index.php?showtopic=1207
Go to the top of the page
¬
Вставить ник в форму быстрого ответа
+Quote Post
Titus
сообщение 17.11.2012, 19:36
Сообщение #1369


Don Amadeus
*******

Группа:
Главные администраторы
Сообщений: 29962
Регистрация: 19.2.2009
Из: Russia, Sevastopol
Вне форума
Авто: Lancer IX-1.6 MT Turbo, Honda Accord IX-2.4 AT Executive.

Репутация:   466  


Цитата(Серый82 @ 17.10.2012, 21:21) *
Суть такова: втулка (см. эскиз выше), изготовленная из мягкого материала (бронза, медь, латунь и т.п.), напресовывается с небольшим натягом на "нос" лямды, при этом необходимо совместить единственное отверстие на втулке с одним из множества отверстий на лямде, и направить это отверстие в направлении глушителя (спрятать от прямого потока выхлопных газов), а затем лямда вкручивается на своё законное место.

По идее всё должно работать, и что немаловажно, визуально такую обманку обнаружить будет невозможно!

(IMG:style_emoticons/default/drinks.gif)


(IMG:style_emoticons/default/drinks.gif) (IMG:style_emoticons/default/smile.gif)
Не проверял еще? Сильно напрессовать не получится - можно нос помять и сломать лямбду, слабо напрессовать.. Разные коэффициенты температурного расширения и тп - не слетит ли? Страшного ничего не будет - просто улетит в трубу, но, все же? (IMG:style_emoticons/default/smile.gif)

По поводу обманки выше, что не подошло - достаточно ведь любой шайбочки между лямбдой и проставкой, толщиной 1мм и больше.. (IMG:style_emoticons/default/smile.gif)
Go to the top of the page
¬
Вставить ник в форму быстрого ответа
+Quote Post
abysse
сообщение 17.11.2012, 19:54
Сообщение #1370


Начинающий Технический Маньяк
**

Группа:
Технический Маньяк
Сообщений: 3
Регистрация: 10.11.2012
Из: Великая Тартария
Вне форума
Авто: OUTLANDER I (LS) 2,4L 4WD

Репутация:   0  


Цитата(Titus @ 17.11.2012, 20:33) *
Отличный аппарат (IMG:style_emoticons/default/smile.gif)
Я к чему спрашивал, вот эту тему видели? (IMG:style_emoticons/default/smile.gif)
http://forum.amadeus-project.com/index.php?showtopic=1207

Да Titus, видел.
На круизе не ездил (и не тянет).
Go to the top of the page
¬
Вставить ник в форму быстрого ответа
+Quote Post
Titus
сообщение 18.11.2012, 11:16
Сообщение #1371


Don Amadeus
*******

Группа:
Главные администраторы
Сообщений: 29962
Регистрация: 19.2.2009
Из: Russia, Sevastopol
Вне форума
Авто: Lancer IX-1.6 MT Turbo, Honda Accord IX-2.4 AT Executive.

Репутация:   466  


Понял (IMG:style_emoticons/default/smile.gif) Хотя, на дальних расстояниях шибко удобная штука (IMG:style_emoticons/default/wink.gif)
Go to the top of the page
¬
Вставить ник в форму быстрого ответа
+Quote Post
Palex
сообщение 18.11.2012, 14:31
Сообщение #1372


Супер Технический Маньяк
*****

Группа:
Технический Маньяк
Сообщений: 791
Регистрация: 2.6.2010
Из: Украина, Киев
Вне форума
Авто: Ford Kuga II

Репутация:   17  


Цитата(Titus @ 17.11.2012, 18:36) *
...Страшного ничего не будет - просто улетит в трубу, но, все же? (IMG:style_emoticons/default/smile.gif) ...

Если глушитель не прямоточный, то так просто его не преодолеть. Такой себе маракас получится.
Go to the top of the page
¬
Вставить ник в форму быстрого ответа
+Quote Post
Titus
сообщение 18.11.2012, 14:40
Сообщение #1373


Don Amadeus
*******

Группа:
Главные администраторы
Сообщений: 29962
Регистрация: 19.2.2009
Из: Russia, Sevastopol
Вне форума
Авто: Lancer IX-1.6 MT Turbo, Honda Accord IX-2.4 AT Executive.

Репутация:   466  


Ну, или так, угу (IMG:style_emoticons/default/smile.gif)
Go to the top of the page
¬
Вставить ник в форму быстрого ответа
+Quote Post
Серый82
сообщение 18.11.2012, 18:57
Сообщение #1374


Супер Технический Маньяк
*****

Группа:
Технический Маньяк
Сообщений: 897
Регистрация: 11.5.2010
Из: Воронеж
Вне форума
Авто: Outlander 2,4 Mivec AT

Репутация:   36  


Вить, шайбочки - это не для маньяков! (IMG:style_emoticons/default/wink.gif) выточил другую обманку по своей лямде, точнее просто "углубил" отверстие под неё. Всё работает! А вышесказанное - просто мысли, может кому и пригодится (IMG:style_emoticons/default/drinks.gif) Кстати втулочку можно и законтрить, например керном (IMG:style_emoticons/default/wink.gif)
Go to the top of the page
¬
Вставить ник в форму быстрого ответа
+Quote Post
vtsoperator
сообщение 20.12.2012, 7:46
Сообщение #1375


Начинающий Технический Маньяк
**

Группа:
Технический Маньяк
Сообщений: 6
Регистрация: 15.8.2012
Вне форума
Авто: Ниссан Патфайндер

Репутация:   0  


Цитата(Серый82 @ 18.11.2012, 19:57) *
Вить, шайбочки - это не для маньяков! (IMG:style_emoticons/default/wink.gif) выточил другую обманку по своей лямде, точнее просто "углубил" отверстие под неё. Всё работает! А вышесказанное - просто мысли, может кому и пригодится (IMG:style_emoticons/default/drinks.gif) Кстати втулочку можно и законтрить, например керном (IMG:style_emoticons/default/wink.gif)

Выбил передние каты, задние оставил и вкрутил мех. обманки с шайбочками, машина немного заурчала, чек пока не горит, но замигал аэрбег, подключил ELM ошибок в ЭБУ не видит. Может мастеровой кувалдой так маханул, что подушки сработали? Также мастер говорит, что сами катализаторы чуть отверткой тронул и они посыпались, у Тойот говорит мучался когда выбивал.
Go to the top of the page
¬
Вставить ник в форму быстрого ответа
+Quote Post
ra3vgv
сообщение 20.12.2012, 8:47
Сообщение #1376


Технический Маньяк-Гуру
*******

Группа:
Технический Маньяк
Сообщений: 2042
Регистрация: 7.7.2009
Из: Владимирская обл. г Ковров
Вне форума
Авто: Outlander 4G69 5MT Black

Репутация:   36  


Серег,подскажи. Прокладку под выпускным коллектором менял или старую оставил(я про большую,та что между головой и коллектором) ?
Go to the top of the page
¬
Вставить ник в форму быстрого ответа
+Quote Post
Mihail V
сообщение 20.12.2012, 8:53
Сообщение #1377


Миша-Сан
*******

Группа:
Технический Маньяк
Сообщений: 10513
Регистрация: 10.12.2009
Из: Нижегородской обл. '152 RUS
Вне форума
Авто: Volvo XC90 2.5T

Репутация:   312  


Она стальная, многослойная. Вычищаешь грязь и пыль между слоями и ставишь без проблем! (IMG:style_emoticons/default/smile.gif)
Go to the top of the page
¬
Вставить ник в форму быстрого ответа
+Quote Post
ra3vgv
сообщение 20.12.2012, 9:13
Сообщение #1378


Технический Маньяк-Гуру
*******

Группа:
Технический Маньяк
Сообщений: 2042
Регистрация: 7.7.2009
Из: Владимирская обл. г Ковров
Вне форума
Авто: Outlander 4G69 5MT Black

Репутация:   36  


Миш,я на лансе 10 рас снимал и не менял ниразу,это я все знаю,спросил на всякий случай, вдруг другое че ппоставили. Но всеравно спасибо,успокоили.
Go to the top of the page
¬
Вставить ник в форму быстрого ответа
+Quote Post
YARIK76
сообщение 23.12.2012, 11:22
Сообщение #1379


Начинающий Технический Маньяк
**

Группа:
Технический Маньяк
Сообщений: 9
Регистрация: 23.12.2012
Из: Ярославль
Вне форума
Авто: Toyota 1zz

Репутация:   0  


имею авенсис с мотором 1ZZ,горит ошибка ката,мех.обманка не помогла,электронная с 1мОм,затем 470 кОМ то же не помогли...какой теперь резистор взять?СПАСИБО!
Go to the top of the page
¬
Вставить ник в форму быстрого ответа
+Quote Post
pjatovskij
сообщение 27.12.2012, 11:40
Сообщение #1380


Технический Маньяк
***

Группа:
Технический Маньяк
Сообщений: 489
Регистрация: 3.12.2012
Вне форума


Репутация:   8  


Цитата(Titus @ 27.2.2009, 7:36) *
Способ первый - чиповка
Наиболее простой и удобный способ, ибо не надо ни вытачивать проставку, ни паять конденсаторы. Мы просто едем к чиповщику, и просим его программно выключить опрос второго лямбда зонда. После чего уезжаем и навсегда забываем об этой проблеме (но не о чиповщике) (IMG:style_emoticons/default/wink.gif)
На нашем форуме с этим дивно справляется Ёжик Пых

Подскажите пожалуйста, сколько в среднем стоит такой способ у чиповщика? Я у себя в Чебоксарах у одного поинтересовался, он сказал, что стоит 3000 тыс. руб. Не дорого ли? Titus за эти деньги дроссель переделывает! А они... Проще наверно резистор впаять да?
Go to the top of the page
¬
Вставить ник в форму быстрого ответа
+Quote Post

99 страниц V  « < 67 68 69 70 71 > » 
Fast ReplyReply to this topicStart new topic
4 чел. читают эту тему (гостей: 4, скрытых пользователей: 0)
Пользователей: 0

 



Быстрый заказ, позвонить +7-978-708-85-73
Дроссель Amadeus Productions. Быстрый заказ по телефону.
(Viber, WhatsApp, Telegram)
Amadeus Productions Дроссельный узел на Lancer IX 1.6 (4G18), 2.0 (4G63) и другие моторы
Ремкомплект РХХ на Mitsubishi Lancer IX, 1.6 (4G18), MD619857, 1450A116
Облегченный маховик на 1.6 (4G18) и другие моторы
Облегченные шкивы на 1.6 (4G18) и другие моторы
One-touch или "Ленивые поворотники"